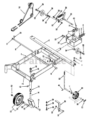
79380 - Toro Front Mount Mower Carrier for 300 Series Tractors (SN: 049000001 - 049999999) (1994) Parts & Diagrams Parts Lists & Diagrams

Front Mount Mower Carrier for 300 Series Tractors

79380 - Toro Front Mount Mower Carrier for 300 Series Tractors (SN: 049000001 - 049999999) (1994) > Parts Diagrams (1)