79380 - Toro Front Mount Mower Carrier for 300 Series Tractors (SN: 089000001 - 089999999) (1998) Parts & Diagrams Parts Lists & Diagrams

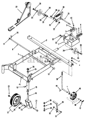
Front Mount Mower Carrier for 300 Series Tractors

79380 - Toro Front Mount Mower Carrier for 300 Series Tractors (SN: 089000001 - 089999999) (1998) > Parts Diagrams (1)