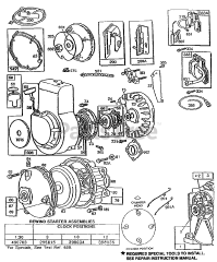
80202-1775-01 - Briggs & Stratton Horizontal Engine Parts & Diagrams Parts Lists & Diagrams

Horizontal Engine