80232-8634-02 - Briggs & Stratton Horizontal Engine Blower Hsg,Rewind,Electrical Parts Diagram

Horizontal Engine

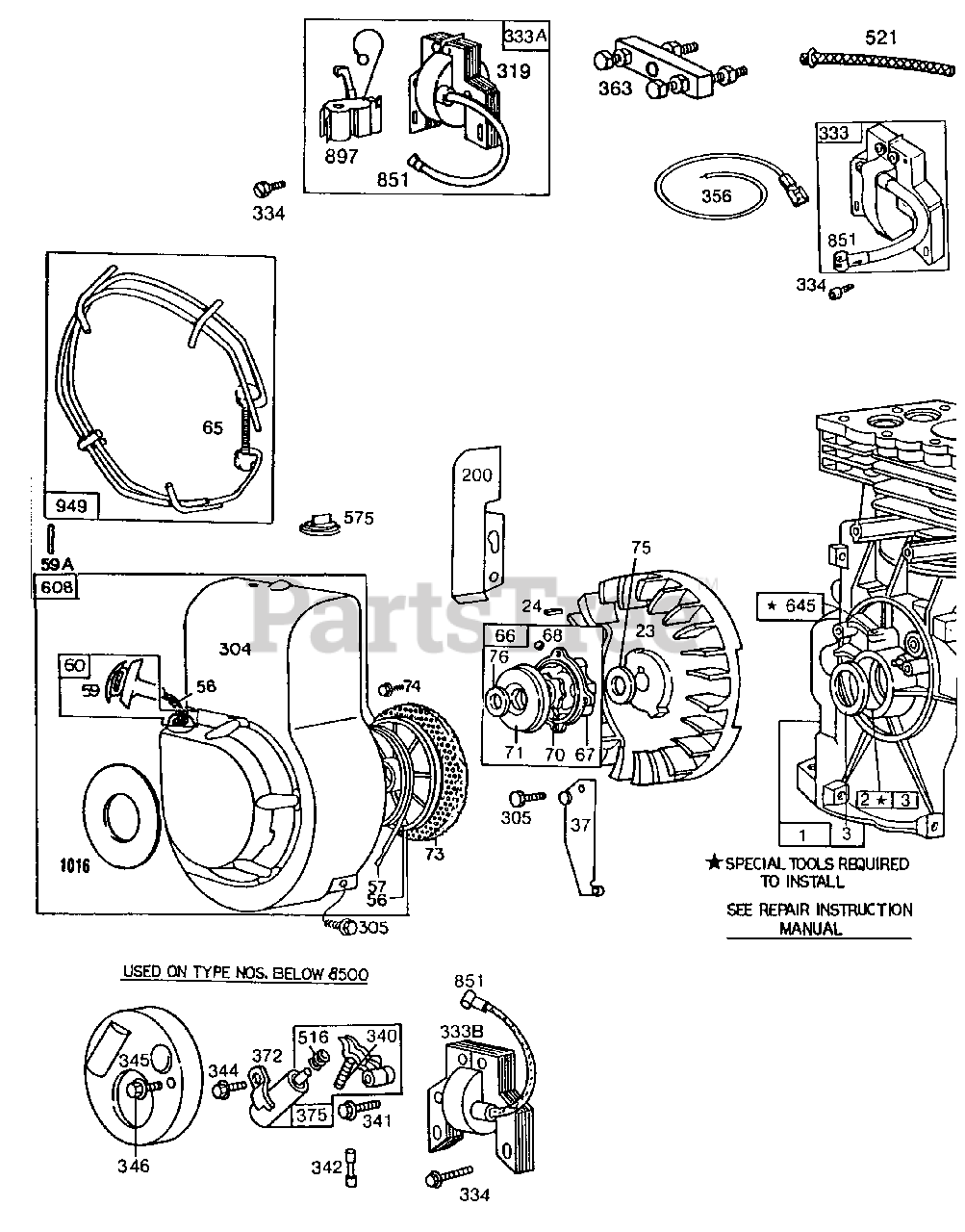
Blower Hsg,Rewind,Electrical Parts Diagram

  • Title
1

Briggs & Stratton 395879

Cylinder Assembly

$

$

Not available

2

Briggs & Stratton 293708

Bushing/Seal Kit (Plain Bearing)
(Superseded to 796961)

Note: Requires Special tools for Installation.

$22.99

$

In Stock, only 3 left!

0

3

Briggs & Stratton 299819

Seal, Oil (Plain Bearing Covers)
(Superseded to 299819S)

$5.99

$

In Stock, Qty 20+

0

23

Briggs & Stratton 296884

Flywheel-Magneto

$

$

Not available

24

Briggs & Stratton 222698

Key, Flywheel
(Superseded to 222698S)

$2.99

$

In Stock, Qty 20+

0

37

Briggs & Stratton 220971

Guard-Flywheel

$11.99

$

Usually ships in 2-12 days

0

56

Briggs & Stratton 280117

Pulley-Starter
(Superseded to 280439S)

$12.99

$

In Stock, Qty 16

0

57

Briggs & Stratton 490179

Spring-Rewind Starter

$16.99

$

In Stock, Qty 12

0

58

Briggs & Stratton 66734

Rope-Starter (48-5/8")

Note: If longer rope is needed, Order No. 66684 and cut to required length.

$6.99

$

In Stock, Qty 11

0

59A

Briggs & Stratton 230228

Pin-Starter Rope
(Superseded to 230228S)

$4.99

$

In Stock, only 3 left!

0

59

Briggs & Stratton 396892

Insert-Starter Rope

$5.49

$

Usually ships in 2-12 days

0

60

Briggs & Stratton 393152

Insert-Starter Handle

$4.99

$

In Stock, only 3 left!

0

65

Briggs & Stratton 94124

Screw-Round Head

$3.99

$

Usually ships in 2-12 days

0

66

Briggs & Stratton 399671

Clutch-Starter

Note: (Uses Rubber Coated Retainer Washer-Ref. 71)

$41.99

$

In Stock, Qty 20+

0

67

Briggs & Stratton 394897

Housing-Starter Clutch

$38.99

$

In Stock, only 3 left!

0

68

Briggs & Stratton 63770

Ball-Clutch
(Superseded to 691604)

$

$

Not available

70

Briggs & Stratton 298436

Ratchet-Str. Clutch
(Superseded to 691945)

$18.99

$

In Stock, only 2 left!

0

71

Briggs & Stratton 221653

Washer, Steel (Non-Coated)
(Superseded to 691359)

$10.99

$

In Stock, only 4 left!

0

71

Briggs & Stratton 394506

Seal/Retainer Assy (Rubber Coated)
(Superseded to 691359)

$10.99

$

In Stock, only 4 left!

0

73

Briggs & Stratton 221661

Screw-Rewind Starter
(Superseded to 691725)

$

$

Not available

74

Briggs & Stratton 93490

Screw-Hex
(Superseded to 691660)

$3.99

$

In Stock, only 4 left!

0

75

Briggs & Stratton 220865

Washer, Belleville (Used With Heavy Flywheel)
(Superseded to 690582)

$

$

Not available

76

Briggs & Stratton 68238

Seal-Ratchet
(Superseded to 691359)

$10.99

$

In Stock, only 4 left!

0

200

$

$

Not available

305

Briggs & Stratton 93158

Screw, Sem Hex Head (1/4-20 X 5/8")
(Superseded to 692198)

$6.49

$

In Stock, Qty 20+

0

319

Briggs & Stratton 298502

Armature-Mag (For Points And Condenser)
(Superseded to 591420)

$56.99

$

In Stock, Qty 20+

0

319

$

$

Not available

333A

Briggs & Stratton 398593

Ignition Kit (For Magnetron)
(Superseded to 591420)

$56.99

$

In Stock, Qty 20+

0

333B

Briggs & Stratton 298502

Armature-Mag (For Points And Condenser)
(Superseded to 591420)

$56.99

$

In Stock, Qty 20+

0

333

Briggs & Stratton 398593

Ignition Kit (For Magnetron)
(Superseded to 591420)

$56.99

$

In Stock, Qty 20+

0

334

Briggs & Stratton 93381

Screw, Machine Hex
(Superseded to 691061)

$3.49

$

In Stock, Qty 20+

0

340

Briggs & Stratton 26018

Spring-Breaker Arm

$7.99

$

Usually ships in 2-12 days

0

341

Briggs & Stratton 93381

Screw, Machine Hex
(Superseded to 691061)

$3.49

$

In Stock, Qty 20+

0

342

Briggs & Stratton 65704

Plunger-Breather Point
(Superseded to 65704S)

$6.99

$

In Stock, Qty 10

0

344

Briggs & Stratton 93042

Screw, Sem Hex Head
(Superseded to 691078)

$4.99

$

Usually ships in 2-12 days

0

345

Briggs & Stratton 220366

Cover-Breather Point And Condenser

$12.99

$

In Stock, only 2 left!

0

346

Briggs & Stratton 93705

Screw, Tapping Hex (8-32 X 3/8)
(Superseded to 690661)

$3.49

$

In Stock, only 2 left!

0

356

Briggs & Stratton 398808

WIRE, Stop (30" Cut To Required Length)

$12.99

$

In Stock, only 4 left!

0

363

Briggs & Stratton 19069

Puller-Flywheel (Optional Accessory)

$26.99

$

In Stock, only 3 left!

0

372

Briggs & Stratton 220477

Clamp-Condensor

$

$

Not available

375

Briggs & Stratton 294628

Breaker Points And Condensor Set

$

$

Not available

375

Briggs & Stratton 299061

Ignition Kit
(Superseded to 294628)

Note: Includes: 294628 Point Set 65704 Plunger 61760 Key-Flywheel (For Conversion to MAGNETRON Ignition Order Part No. 394970)

$

$

Not available

516

Briggs & Stratton 260374

Condenser Spring

$8.49

$

In Stock, only 1 left!

0

521

Briggs & Stratton 297973

Shielding-Ignition Cable

$

$

Not available

575

Briggs & Stratton 396691

Switch, Rotary Stop (Mech. Gov.)
(Superseded to 692309)

$22.99

$

In Stock, Qty 20+

0

608

Briggs & Stratton 398035

Starter-Rewind (12 O'clock)

$

$

Not available

645

Briggs & Stratton 23513

Bushing-Plunger

Note: (Used only with Breaker Point Ignition)

$

$

Not available

851

Briggs & Stratton 221798

Terminal-Spark Plug
(Superseded to 493880S)

$3.49

$

In Stock, Qty 20+

0

897

Briggs & Stratton 394970

Magnetron Ign Kit

$

$

Not available

949

Briggs & Stratton 396579

Guard-Finger (Includes Mtg. Parts)

$

$

Not available

1016

Briggs & Stratton 490817

Spacer=rewind

$9.49

$

In Stock, Qty 7

0