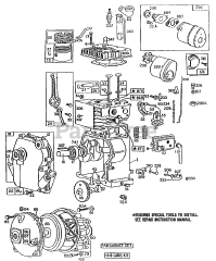
80302-9431-52 - Briggs & Stratton Horizontal Engine Parts & Diagrams Parts Lists & Diagrams

Horizontal Engine