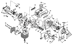
8237 - Lawn-Boy Walk-Behind Mower (SN: B00000001 - B99999999) (1983) Parts & Diagrams Parts Lists & Diagrams

Walk-Behind Mower