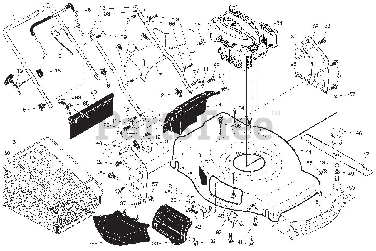
911158 - Ariens 21" Self-Propelled Walk-Behind Mower (SN: 000101 - 010000) Repair Parts 1 Parts Diagram

21" Self-Propelled Walk-Behind Mower

Repair Parts 1 Parts Diagram

  • Title
1

Ariens 21549083

UPPER HANDLE ASSEMBLY

$

$

Not available

2

Ariens 21549084

CABLE, ENGINE ZONE CONTROL

$47.99

$

Usually ships in 4-12 days

0

6

Ariens 21546880

Handle Knob

$

$

Not available

8

Ariens 21549056

CONTROL BAR

$

$

Not available

9

Ariens 21549086

REAR DOOR ASSEMBLY

$

$

Not available

11

Ariens 21548435

HAIRPIN, DOOR/HANDLE PIVOT

$

$

Not available

12

Ariens 21549087

HANDLE KNOB, STANDARD
(Superseded to 21547509)

$5.99

$

Usually ships in 4-12 days

0

13

Ariens 21548442

PLUG, HANDLE BAR

$5.99

$

Usually ships in 4-12 days

0

17

Ariens 21549088

REAR BAFFLE

$52.99

$

Usually ships in 4-12 days

0

18

$9.49

$

Usually ships in 4-12 days

0

19

Ariens 21548820

ROPE GUIDE

$13.99

$

Usually ships in 4-12 days

0

20

Ariens 21549089

REAR SKIRT

$

$

Not available

21

Ariens 21548426

SPRING, REAR DOOR, LH, BLACK

$7.99

$

Usually ships in 4-12 days

0

22

Ariens 21548412

SCREW, PANHEAD, TORX #20

$

$

Not available

24

Ariens 21548425

SPRING, REAR DOOR, RH, GREY

$

$

Not available

26

Ariens 21548424

SCREW, REAR DOOR/HANDLE PIVOT

$

$

Not available

28

Ariens 21548837

BOLT, CARRIAGE

$3.99

$

Usually ships in 4-12 days

0

30

Ariens 21549085

GRASSBAG

$96.99

$

Usually ships in 4-12 days

0

31

Ariens 21548845

FRAME, GRASSBAG

$28.99

$

Usually ships in 4-12 days

0

32

Ariens 21549090

LATCH, MULCHER DOOR

$6.99

$

Usually ships in 4-12 days

0

33

Ariens 21548441

MULCHER DOOR

$

$

Not available

34

Ariens 21549091

BRACKET, GRASSBAG

$

$

Not available

36

Ariens 21547480

Hinge Bracket Assembly

$

$

Not available

37

Ariens 21546179

BOLT.5/16-18HEX.WHS.HD.LCKSERR

$5.99

$

In Stock, Qty 20+

0

38

Ariens 21548458

DISCHARGE DEFLECTOR

$23.99

$

In Stock, only 2 left!

0

39

Ariens 21548840

HANDLE BRACKET, LH

$

$

Not available

40

Ariens 21548841

HANDLE BRACKET, RH

$26.99

$

Usually ships in 4-12 days

0

41

Ariens 21546874

Screw, Hex Head, Threaded, Rol

$7.49

$

Usually ships in 4-12 days

0

42

Ariens 21547483

Spring, Torsion

$7.49

$

Usually ships in 4-12 days

0

43

Ariens 21548415

LOCKNUT, HEX 1/4-20
(Superseded to 06500821)

$0.99

$

In Stock, Qty 20+

0

44

Ariens 21549092

KIT, LAWN MOWER HOUSING

$

$

Not available

45

Ariens 21547479

Rod, Hinge

$6.99

$

Usually ships in 4-12 days

0

46

Ariens 21549076

BLADE ADAPTER

$20.99

$

Usually ships in 4-12 days

0

47

$28.99

$

In Stock, Qty 20+

0

48

Ariens 21549075

WASHER, FLAT, HARDENED

$

$

Not available

49

Ariens 21547501

Helical Lockwasher

$3.99

$

Usually ships in 4-12 days

0

50

Ariens 21549074

BLT, HEX 3/8-24X1-3/8 G8

$4.49

$

In Stock, only 1 left!

0

51

Ariens 21548438

FRONT BAFFLE

$

$

Not available

52

Ariens 21549070

DECAL, WARNING

$9.99

$

Usually ships in 4-12 days

0

53

Ariens 21546179

BOLT.5/16-18HEX.WHS.HD.LCKSERR

$5.99

$

In Stock, Qty 20+

0

56

Ariens 21546912

Screw, Rear Baffle

$

$

Not available

57

Ariens 21548413

NUT, HEX

$

$

Not available

58

Ariens 21549127

BAR, LOWER HANDLE

$

$

Not available

59

Ariens 21546883

Handle Bolt

$6.99

$

In Stock, Qty 20+

0

64

Ariens 08200829

ENGINE, LONCIN 159CC VERT.

$

$

Not available

83

$3.99

$

Usually ships in 4-12 days

0

84

Ariens 21548436

FASTENER, PUSH

$

$

Not available

85

Ariens 21549094

MOUNTING BRACKET, REAR SKIRT

$6.99

$

Usually ships in 4-12 days

0

96

Ariens 21546887

Clip, Cable

$

$

Not available

97

Ariens 21549095

BELT KEEPER

$8.49

$

Usually ships in 4-12 days

0

--

Ariens 21549096

PARTS BAG

Note: (Includes Key Numbers 12 and 59)

$

$

Currently unavailable

--

Ariens 21549054

OPERATOR'S MANUAL ENGLISH/FREN

$

$

Currently unavailable

--

Ariens 21549055

OPERATOR'S MANUAL SPANIS

$

$

Currently unavailable