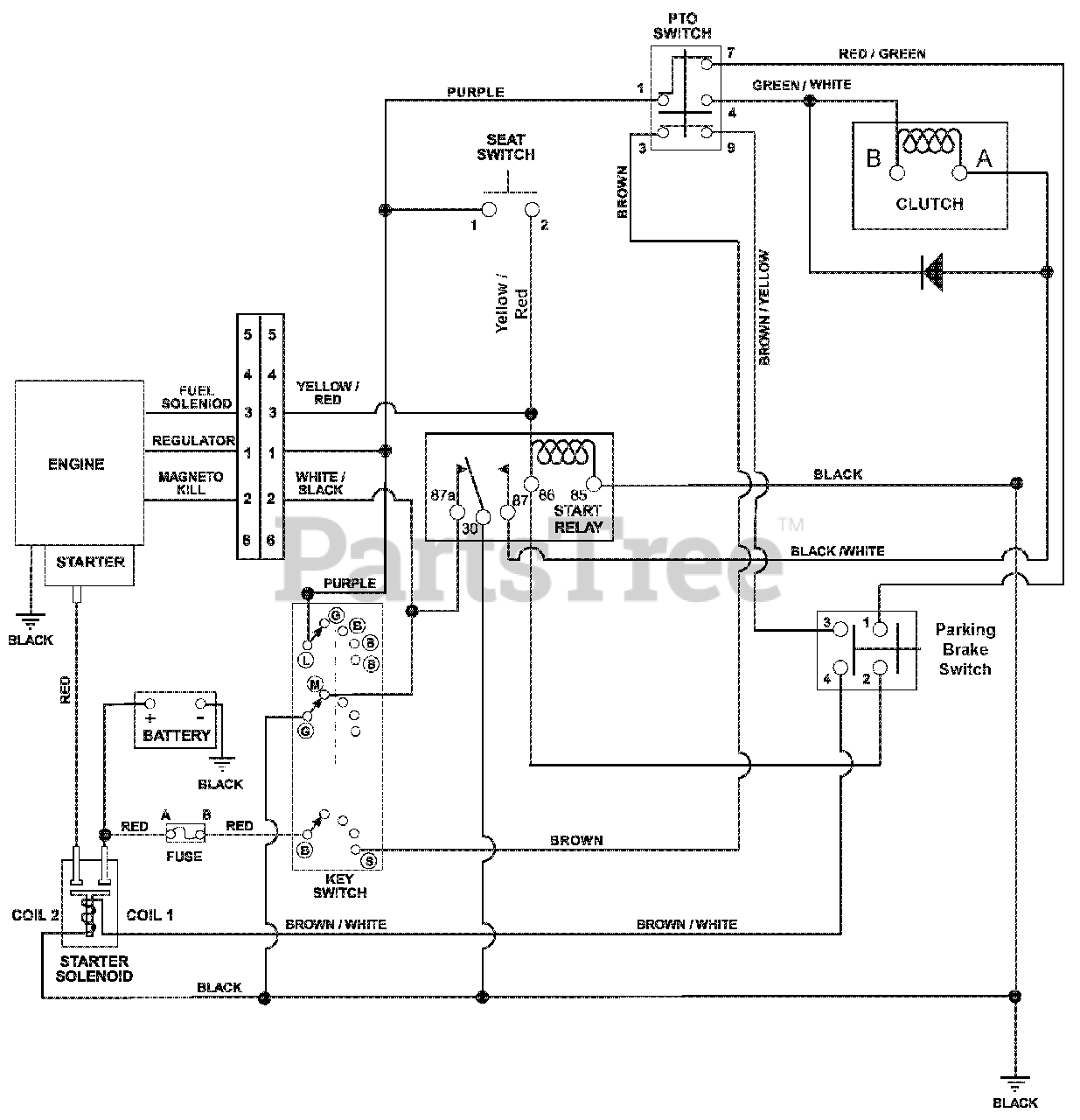
915148 (ZT 42) - Gravely 42" Zero-Turn Mower (SN: 035000 & Above) Wiring Diagram Parts Diagram

42" Zero-Turn Mower

Wiring Diagram Parts Diagram

  • Title