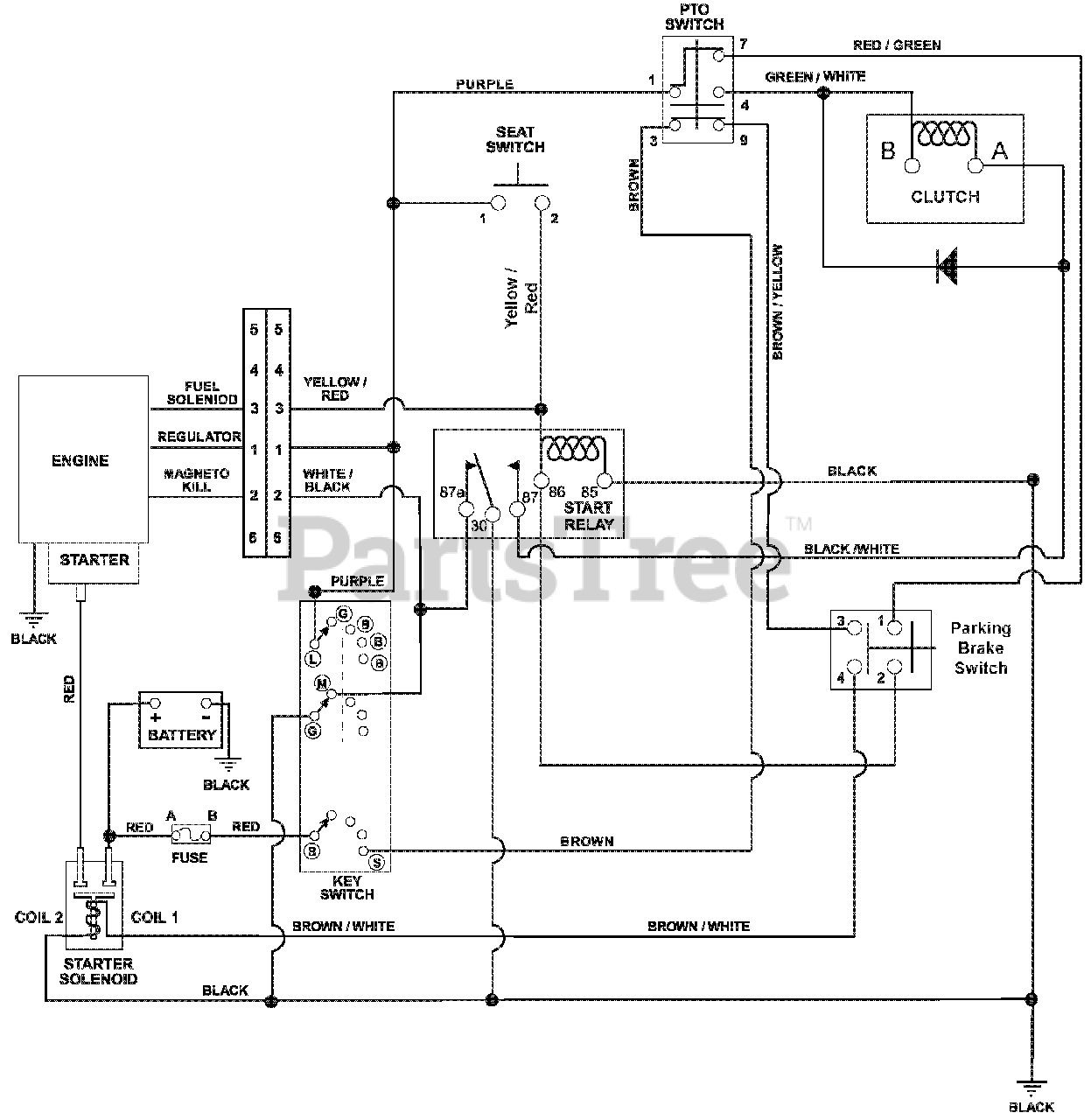
915327 (ZT 34) - Gravely 34" Zero-Turn Mower, 16hp Briggs & Stratton (SN: 045000 & Above) Wiring Diagram Parts Diagram

34" Zero-Turn Mower, 16hp Briggs & Stratton

Wiring Diagram Parts Diagram

  • Title