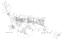
917.289560 (YTH 2348) - Craftsman Yard Tractor (2009-01) (Sears) Parts & Diagrams Parts Lists & Diagrams

Yard Tractor