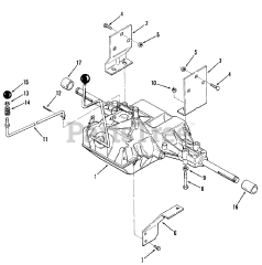
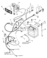
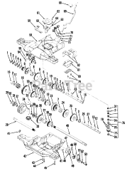
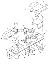
92-11BF01 (B-111) - Toro Lawn Tractor (1979) Parts & Diagrams Parts Lists & Diagrams

Lawn Tractor