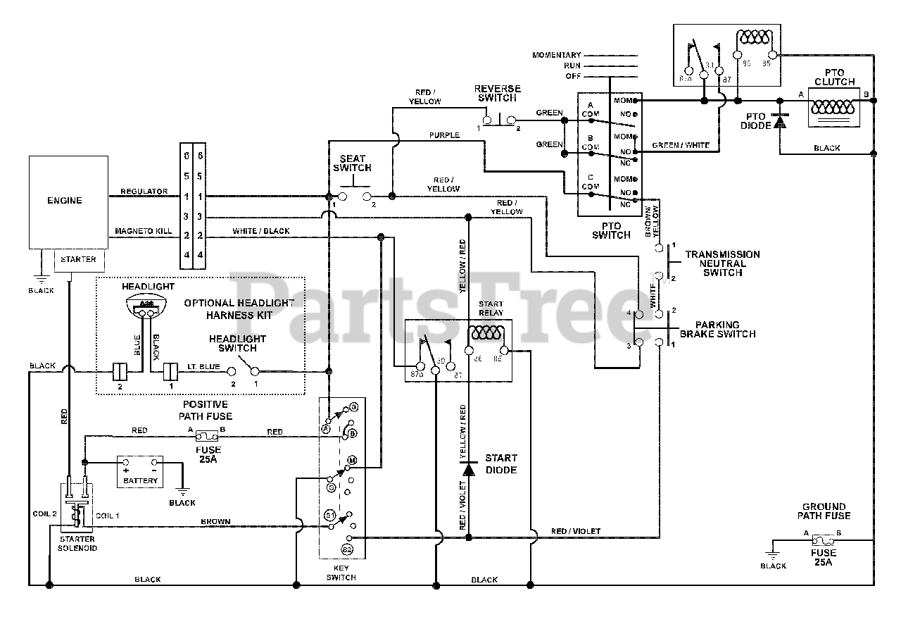
927060 (1028) - Gravely 28" Rear-Engine Riding Mower, 10hp Briggs & Stratton, Hydro (SN: 020000 & Above) Wiring Diagram Parts Diagram

28" Rear-Engine Riding Mower, 10hp Briggs & Stratton, Hydro

Wiring Diagram Parts Diagram

  • Title