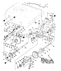
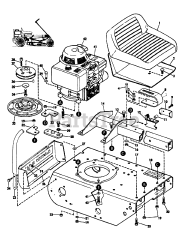
9302 E - Lawn-Boy 30" Rear-Engine Riding Mower (SN: 100000001 - 199999999) (1971) Parts & Diagrams Parts Lists & Diagrams

30" Rear-Engine Riding Mower

9302 E - Lawn-Boy 30" Rear-Engine Riding Mower (SN: 100000001 - 199999999) (1971) > Parts Diagrams (35)