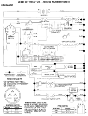
951941 - Electrolux/AYP Lawn Tractor (1994) Parts & Diagrams Parts Lists & Diagrams

Lawn Tractor