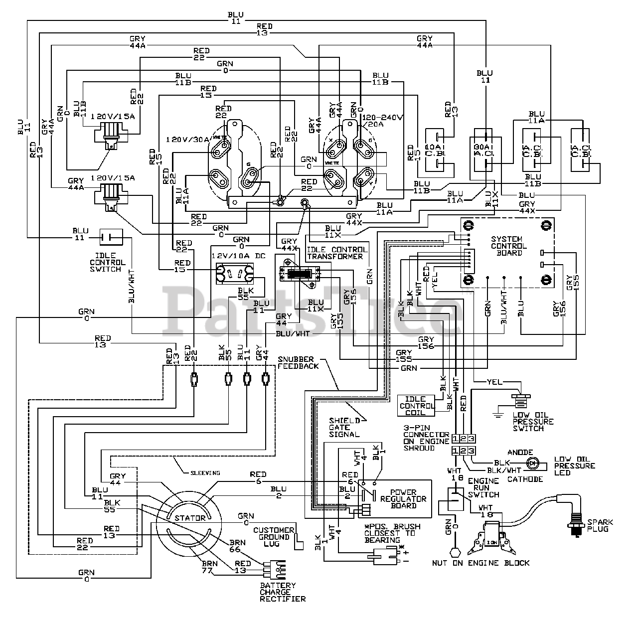
9777-3 - Generac XL 4,000 Watt Portable Generator Wiring Diagram Parts Diagram

XL 4,000 Watt Portable Generator

Wiring Diagram Parts Diagram

  • Title