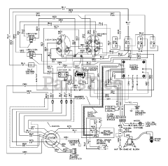
9777-4 - Generac XL 4,000 Watt Portable Generator Parts & Diagrams Parts Lists & Diagrams

XL 4,000 Watt Portable Generator

9777-4 - Generac XL 4,000 Watt Portable Generator > Parts Diagrams (5)