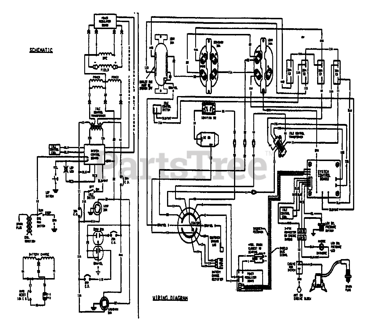
9778-0 - Generac XL 5,500 Watt Portable Generator Electrical Schematic And Wiring Diagram No. 92670 Parts Diagram

XL 5,500 Watt Portable Generator

Electrical Schematic And Wiring Diagram No. 92670 Parts Diagram

  • Title