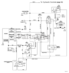
990102 - Gravely Rapid XZ Zero-Turn Mower, 30hp Kohler (SN: 000101 & Above) Parts & Diagrams Parts Lists & Diagrams

Rapid XZ Zero-Turn Mower, 30hp Kohler