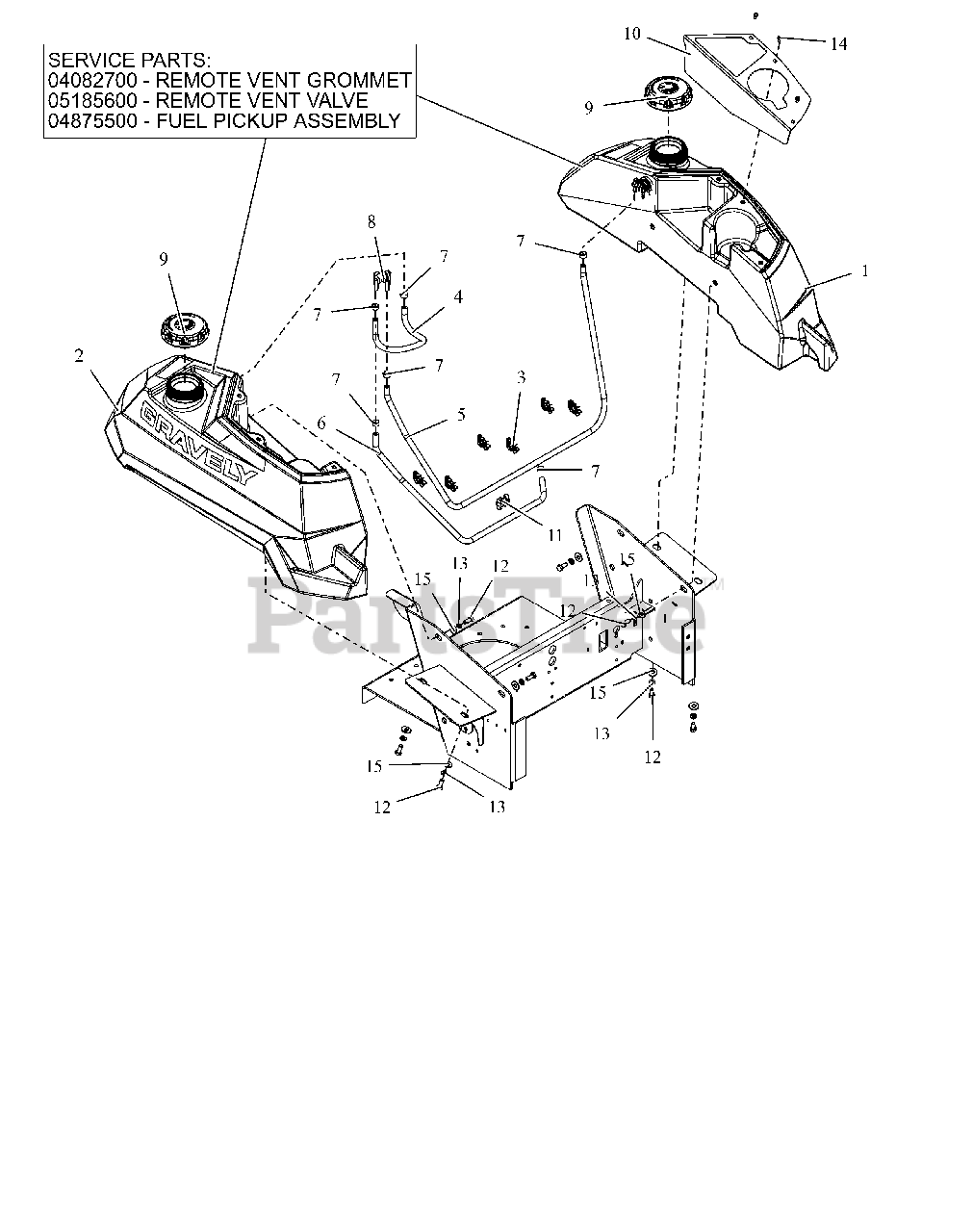
991222 (Pro-Turn 52) - Gravely Pro-Turn 52" Zero-Turn Mower, Kawasaki FS, CARB (SN: 010000 & Above) Fuel System - Kawasaki - CARB Parts Diagram

Pro-Turn 52" Zero-Turn Mower, Kawasaki FS, CARB

Fuel System - Kawasaki - CARB Parts Diagram

  • Title
1

Gravely 59111900

ASM,LH PRO-TURN CARB FUEL TANK

$

$

Not available

2

Gravely 59112000

ASM,RH PRO-TURN CARB FUEL TANK

$

$

Not available

2

Gravely 04082700

GROMMET, REMOTE VENT NITRILE

Note: SERVICE PART

$3.99

$

In Stock, Qty 8

0

2

Gravely 05185600

VALVE, COMBINATION VENT 3/16

Note: SERVICE PART

$18.99

$

In Stock, only 4 left!

0

2

Gravely 04875500

ASSM,LRG TANK FUEL PICKUP LINE

Note: SERVICE PART

$18.99

$

In Stock, Qty 9

0

3

Gravely 00390100

WIRE CLIP

$3.99

$

Usually ships in 4-12 days

0

4

Gravely 03278100

HOSE, .25 LOW-PERM BULK GAS

Note: 14.00" RH Tank To Valve

$1.49

$

In Stock, Qty 20+

0

5

Gravely 03278100

HOSE, .25 LOW-PERM BULK GAS

Note: 48.00" LH Tank To Valve

$1.49

$

In Stock, Qty 20+

0

6

Gravely 03278100

HOSE, .25 LOW-PERM BULK GAS

Note: 26.00" Valve To Engine

$1.49

$

In Stock, Qty 20+

0

7

Gravely 03278800

CLAMP, FUEL LINE

$1.49

$

Usually ships in 4-12 days

0

8

Gravely 04426400

VALVE, FUEL
(Superseded to 09389900)

$46.99

$

In Stock, Qty 16

0

9

Gravely 04558100

CAP, FUEL NONVENT AUTOLOCK

$23.99

$

In Stock, only 2 left!

0

10

Gravely 05073853

PT CUPHOLDER PANEL - RED

$34.99

$

Usually ships in 4-12 days

0

11

Gravely 07001712

CLIP, T, .38-.50

$3.99

$

Usually ships in 4-12 days

0

12

Gravely 05947000

@BLT-HEX .31-18X.75 GR5 YWZC
(Superseded to 05901704)

$1.99

$

In Stock, Qty 20+

0

13

Gravely 06308600

@WSHR-LK .31X.078 REG YWZC
(Superseded to 06300119)

$1.49

$

In Stock, Qty 11

0

14

Gravely 06100211

SCR-MCH 10-24X.38 HWHSTAINLESS

$3.49

$

In Stock, Qty 20+

0

15

Gravely 06435700

@WSHR-FL-STL.38X.875X.083 YWZC
(Superseded to 06401023)

$1.99

$

In Stock, Qty 20+

0