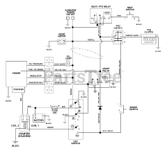
992041 (PM 250Z) - Gravely Pro-Master 50" Zero-Turn Mower, 22hp Briggs & Stratton (SN: 031000 & Above) Parts & Diagrams Parts Lists & Diagrams

Pro-Master 50" Zero-Turn Mower, 22hp Briggs & Stratton