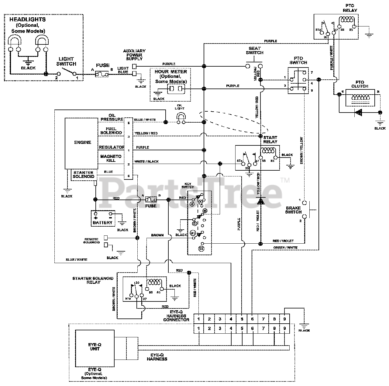
992045 (PM 252Z) - Gravely Pro-Master 52" Zero-Turn Mower, 25hp Kawasaki (SN: 004501 & Above) Wiring Diagram Parts Diagram

Pro-Master 52" Zero-Turn Mower, 25hp Kawasaki

Wiring Diagram Parts Diagram

  • Title