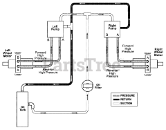
992146 (PM 252M) - Gravely Pro-Master 52" Zero-Turn Mower, 23hp Kohler (SN: 000401 & Above) Parts & Diagrams Parts Lists & Diagrams

Pro-Master 52" Zero-Turn Mower, 23hp Kohler