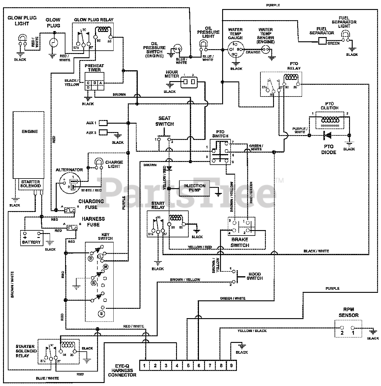
992218 (PM 260H XDZ) - Gravely Pro-Master 60" Zero-Turn Mower, 27hp Daihatsu (SN: 020000 & Above) Wiring Diagram Parts Diagram

Pro-Master 60" Zero-Turn Mower, 27hp Daihatsu

Wiring Diagram Parts Diagram

  • Title