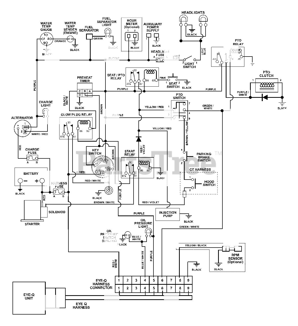
992316 (PM 260 Z) - Ariens Pro-Master 60" Zero-Turn Mower, 27hp Daihatsu Diesel (SN: 001000 - 001500) Wiring Diagram Parts Diagram

Pro-Master 60" Zero-Turn Mower, 27hp Daihatsu Diesel

Wiring Diagram Parts Diagram

  • Title