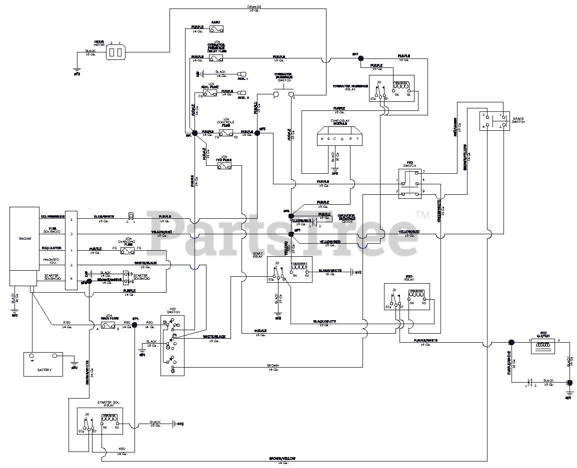
994131 - Gravely Pro-Stance 36" Stand-On Mower, Kawasaki FX (SN: 010000 - 019999) Wiring Diagram Parts Diagram

Pro-Stance 36" Stand-On Mower, Kawasaki FX

Wiring Diagram Parts Diagram

  • Title