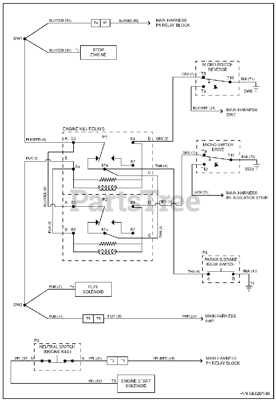
996123 (420 RX) - Gravely Treker Utility Vehicle, 4x2, Red, Subaru (SN: 000101 - 019999) Wiring Diagram - Sub Engine Kill 100 Parts Diagram

Treker Utility Vehicle, 4x2, Red, Subaru

Wiring Diagram - Sub Engine Kill 100 Parts Diagram

  • Title