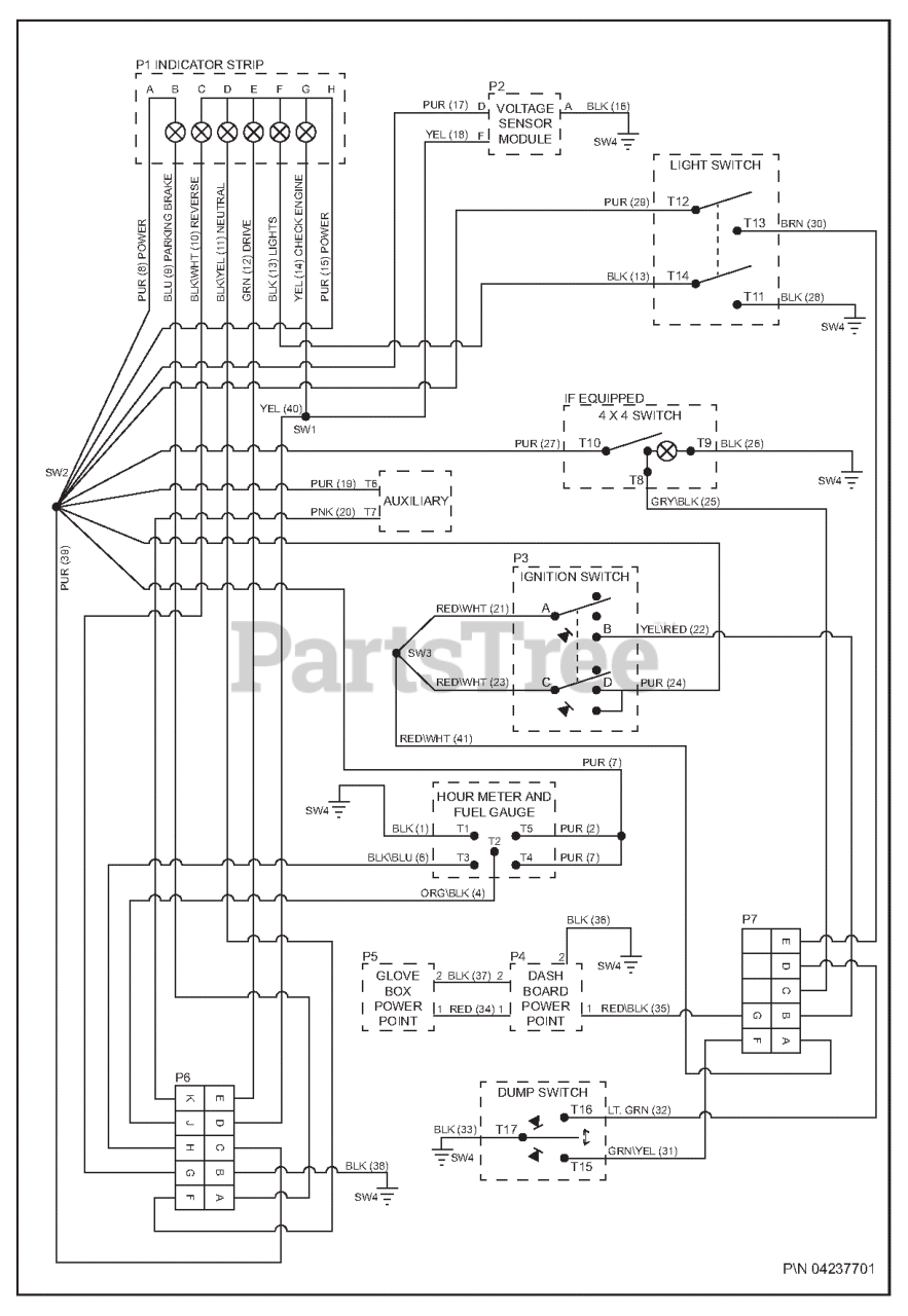
996148 - Ariens Contractor 4WD Utility Vehicle, Subaru EH65 (SN: 020000 & Above) Wiring Diagram - Sub Dash 701 Parts Diagram

Contractor 4WD Utility Vehicle, Subaru EH65

Wiring Diagram - Sub Dash 701 Parts Diagram

  • Title