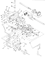
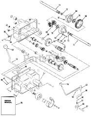
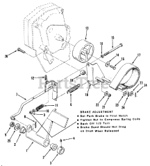
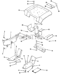
A1-164202 (GT-1642) - Toro Garden Tractor (1983) Parts & Diagrams Parts Lists & Diagrams

Garden Tractor