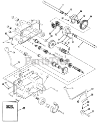
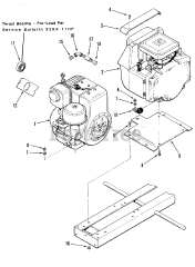
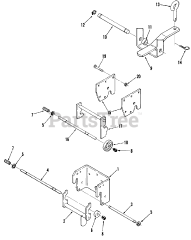
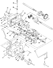
A1-18BE01 (GT-1800) - Toro Garden Tractor (1984) Parts & Diagrams Parts Lists & Diagrams

Garden Tractor