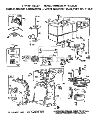
AYP 8109 A49 - Electrolux/AYP Tiller (1994) Parts & Diagrams Parts Lists & Diagrams

Tiller