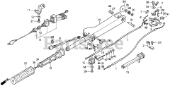
BF9.9 AH SAS (BABS) - Honda Outboard Engine, Made in Japan (SN: BABS-1000001 - BABS-9999999) Parts & Diagrams Parts Lists & Diagrams

Outboard Engine, Made in Japan