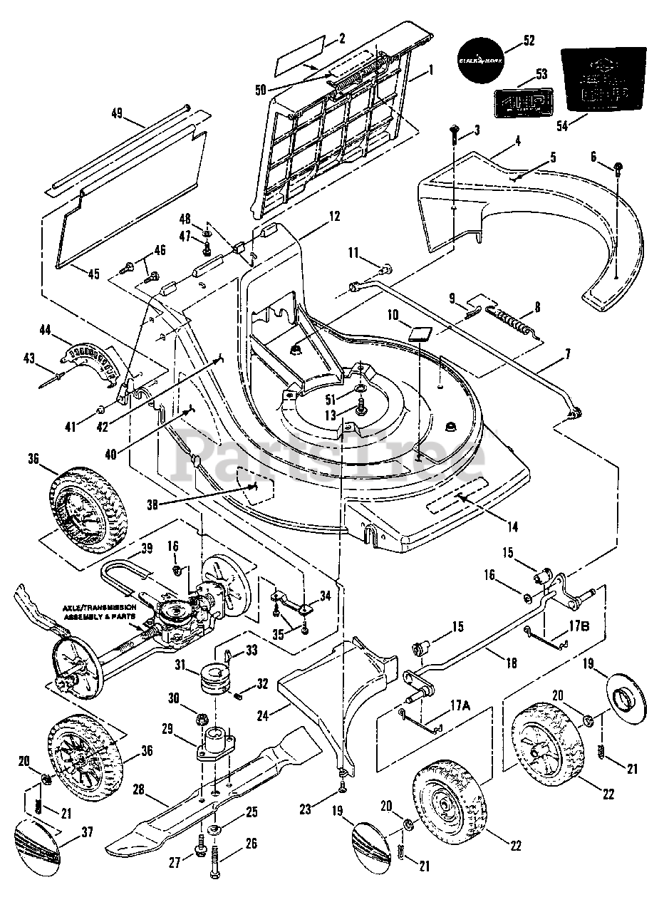
BH 600SP (82364) - Snapper Black Hawk 21" Walk-Behind Mower Deck, Wheels & Discharge Components Parts Diagram

Black Hawk 21" Walk-Behind Mower

Deck, Wheels & Discharge Components Parts Diagram

  • Title
1

Snapper 7052881

ASSEMBLY, Discharge Door
(Superseded to 7052881YP)

$79.99

$

In Stock, only 1 left!

0

2

Snapper 7026236

DECAL, Discharge Door
(Superseded to 7026236YP)

$7.99

$

Usually ships in 2-12 days

0

3

Snapper 7091201

SCREW, #10-24 x 1-1/2 Slotted, Hex Washer Head, Self-Tapping
(Superseded to 7091201YP)

$3.49

$

Usually ships in 2-12 days

0

4

Snapper 7024752

COVER, Belt/Tie Bar
(Superseded to 7024752YP)

$35.99

$

Usually ships in 2-12 days

0

5

Snapper 7026235

DECAL, Felt Cover

$

$

Currently unavailable

6

Snapper 7091213

SCREW, #10-24 x 1" Slotted, Hex Washer Head, Self-Tapping
(Superseded to 7091213YP)

$3.49

$

Usually ships in 2-12 days

0

7

Snapper 7041364

ASSEMBLY, Tie Bar
(Superseded to 7041364AYP)

$126.99

$

Usually ships in 2-12 days

0

8

Snapper 7024751

SPRING, Tie Bar
(Superseded to 7024751YP)

$13.99

$

Usually ships in 2-12 days

0

9

Snapper 7091598

COTTER-PIN, 1/8 x 3/4"
(Superseded to 703958)

Note: Was 90365

$4.49

$

In Stock, Qty 14

0

10

Snapper 7026588

DECAL, Premium Quality Medallion

$

$

Currently unavailable

11

Snapper 7091232

PIN, Tie Bar, 3/8 x 5/8"
(Superseded to 7091232YP)

$3.49

$

Usually ships in 2-12 days

0

12

Snapper 7063167

DECK, 21" Cast Aluminum
(Superseded to 7061962YP)

Note: Was 24556 or 61961

$1087.99

$

Usually ships in 2-12 days

0

13

Snapper 7090324

SCREW, 3/8-16 x 1" Hex Head, Self-Tapping
(Superseded to 704000)

Note: (Briggs Engines)

$5.49

$

In Stock, Qty 13

0

Snapper 7091116

SCREW, M10-1.50 x 25mm Hex Head, Self-Tapping

Note: (Kawasaki Engines)

$

$

Not available

14

Snapper 7026228

DECAL - BLACKHAWK

$

$

Not available

Snapper 7026587

DECAL - BLACKHAWK, Recycling Mulcher

$

$

Not available

15

Snapper 7024558

BUSHING, Front Axle
(Superseded to 7024558YP)

$3.99

$

Usually ships in 2-12 days

0

16

Snapper 7013946

RETAINER, Wheel
(Superseded to 7013946YP)

$4.49

$

Usually ships in 2-12 days

0

17A

Snapper 7033960

SPRING, Axle Retainer (Right Hand)
(Superseded to 7033960YP)

$5.99

$

Usually ships in 2-12 days

0

17B

Snapper 7033954

SPRING, Axle Retainer (Left Hand)
(Superseded to 7033954YP)

$4.99

$

Usually ships in 2-12 days

0

18

Snapper 7041344

ASSEMBLY, Front Axle
(Superseded to 7041344YP)

$122.99

$

Usually ships in 2-12 days

0

19

Snapper 7016152

HUB-CAP, Front Wheels

$

$

Not available

20

Snapper 7091192

WASHER, 1/2" Flat
(Superseded to 7091192SM)

$3.99

$

Usually ships in 2-12 days

0

21

Snapper 7091193

HAIRPIN, .062 x .900"
(Superseded to 7091193YP)

$5.99

$

In Stock, only 2 left!

0

22

Snapper 7052863

ASSEMBLY, Wheels (Front)
(Superseded to 7052863YP)

$38.99

$

Usually ships in 2-12 days

0

23

Snapper 7091075

SCREW, #10-24 x 5/8" Slotted, Hex Washer Head, Self-Tapping
(Superseded to 7091075SM)

$4.49

$

In Stock, only 1 left!

0

24

Snapper 7024595

BAFFLE, Discharge
(Superseded to 7024595YP)

$28.99

$

Usually ships in 2-12 days

0

25

Snapper 7079268

WASHER, Split Lock (Heavy)
(Superseded to 7079268YP)

$3.49

$

In Stock, Qty 7

0

26

Snapper 7090483

SCREW, 3/8-24 x 1-3/4" Hex Head Cap, Grade 5
(Superseded to 703866)

$4.49

$

In Stock, Qty 5

0

27

Snapper 7091328

BOLT, 3/8-16 x 1-1/4" Hex Flng. Lock
(Superseded to 703871)

Note: Was 90143

$4.99

$

Usually ships in 2-12 days

0

28

Snapper 7026427

BLADE, 21" Bagging
(Superseded to 7026427BMYP)

Note: (Shown)

$

$

Not available

Snapper 7026428

BLADE, 21" Mulching
(Superseded to 7026428BZYP)

Note: (Not Shown)

$30.99

$

In Stock, only 1 left!

0

Snapper 7033956

BLADE, 21" Recycling
(Superseded to 7033956YP)

Note: (Not Shown)

$25.99

$

Usually ships in 2-12 days

0

29

Snapper 7026631

HUB, Blade Drive, 25mm

Note: (Briggs Eng's.)

$

$

Not available

Snapper 7026630

HUB, Blade Drive, 7/8"
(Superseded to 7026630YP)

Note: (Kawasaki Eng's.)

$14.99

$

Usually ships in 2-12 days

0

30

Snapper 7091299

NUT, 3/8-16 Hex Nyloc
(Superseded to 703117)

Note: Was 76979

$3.99

$

In Stock, Qty 20+

0

31

Snapper 7015780

PULLEY, Traction Drive, 25mm
(Superseded to 7015780YP)

Note: (Briggs Engines)

$32.99

$

Usually ships in 2-12 days

0

Snapper 7021764

PULLEY, Traction Drive, 7/8"
(Superseded to 7021764YP)

Note: (Kawasaki Engines)

$57.99

$

Usually ships in 2-12 days

0

32

Snapper 7090201

SETSCREW, 5/16-18 x 5/16" Hex Socket
(Superseded to 7090201SM)

$

$

Not available

33

Snapper 7091214

KEY, #HP-506 Hi-Pro
(Superseded to 7091214YP)

Note: (Briggs Engines)

$4.99

$

In Stock, Qty 7

0

Snapper 7010783

KEY, #HP-505 Hi-Pro
(Superseded to 7010783YP)

Note: (Kawasaki Engines)

$

$

Not available

34

Snapper 7033732

SUPPORT, Rear Axle
(Superseded to 7033732YP)

$10.99

$

Usually ships in 2-12 days

0

35

Snapper 7091819

SCREW, 1/4-20 x 5/8" H.W.H., Self-Tap.
(Superseded to 703054)

Note: Was 90362

$4.49

$

In Stock, Qty 20+

0

36

Snapper 7052864

ASSEMBLY, Wheels (Drive)
(Superseded to 7104781YP)

$41.99

$

In Stock, only 2 left!

0

37

Snapper 7024540

HUB-CAP, Rear Wheels
(Superseded to 7024540YP)

$5.49

$

Usually ships in 2-12 days

0

38

Snapper 7013010

DECAL - DANGER
(Superseded to 7013010SM)

$9.99

$

In Stock, only 4 left!

0

39

Snapper 7024750

BELT, Traction Drive
(Superseded to 7024750YP)

$23.99

$

Usually ships in 2-12 days

0

40

Snapper 7026222

DECAL, Height Adjustment
(Superseded to 7026222YP)

$11.99

$

Usually ships in 2-12 days

0

41

Snapper 7091020

PUSH-NUT, 1/4"
(Superseded to 7091020YP)

$4.49

$

In Stock, Qty 20+

0

42

Snapper 7026221

DECAL, Mulching

$

$

Currently unavailable

43

Snapper 7091191

RIVET, 3/16 x 1/2" Steel
(Superseded to 7091191YP)

$3.49

$

Usually ships in 2-12 days

0

44

Snapper 7033752

PLATE, Height Adjustment
(Superseded to 7033752YP)

$23.99

$

Usually ships in 2-12 days

0

45

Snapper 7043870

SHIELD, Trailing
(Superseded to 7043870YP)

Note: Was 24753

$30.99

$

Usually ships in 2-12 days

0

46

Snapper 7091714

SCREW, 5/16-18 x 1" Carriage, Grade 5
(Superseded to 703483)

Note: Was 91238

$3.99

$

Usually ships in 2-12 days

0

47

Snapper 7090999

SCREW, 1/4-20 x 5/8" Truss Head, Torx
(Superseded to 7090999FS)

$4.49

$

Usually ships in 2-12 days

0

48

Snapper 7091294

WASHER, 1/4 Flat
(Superseded to 703332)

Note: Was 90055

$4.49

$

In Stock, Qty 20+

0

49

Snapper 7024754

ROD, Training Shield
(Superseded to 7024754YP)

$5.99

$

Usually ships in 2-12 days

0

50

Snapper 7026809

DECAL - WARNING

$

$

Currently unavailable

51

Snapper 7090873

WASHER, 7/16 Internal Tooth Lock

Note: (Kawasaki Engines)

$2.99

$

Usually ships in 2-12 days

0

52

Snapper 7026431

DECAL - BLACKHAWK, Recoil Cover

Note: (Briggs Engines)

$

$

Currently unavailable

53

Snapper 7026589

DECAL, 4HP

Note: (Briggs Engines)

$

$

Currently unavailable

54

Snapper 7026237

DECAL, 5HP

Note: (Briggs Engines)

$

$

Currently unavailable

ENGINE, 4 HP Briggs & Stratton Quantum

Note: (B&S # 122702-3224-01)(Not Shown)

$

$

Not available

ENGINE, 5 HP Briggs & Stratton XTE

Note: (B&S # 124802-3222-01)(Not Shown)

$

$

Not available

* ENGINE, 5 HP Kawasaki OHV Engine (FC150V-ES08)

Note: (Not Shown)

$

$

Not available

Snapper 7061396

KIT, Grass Discharge

Note: Was 61242

$

$

Currently unavailable

Snapper 7061397

KIT, Side Discharge Chute

Note: Was 61243

$

$

Not available

Snapper 7061398

KIT, Mulching

Note: Was 61244

$

$

Not available