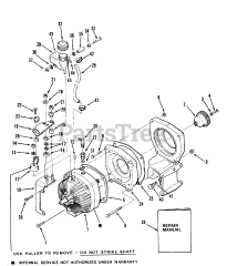
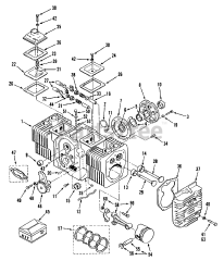
C1-20OE01 (520-HC) - Toro Garden Tractor (1988) Parts & Diagrams Parts Lists & Diagrams

Garden Tractor