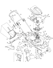
CC 500 BAT (18A-188-710) - Cub Cadet Walk-Behind Mower, Electric (2007) Parts & Diagrams Parts Lists & Diagrams

Walk-Behind Mower, Electric

CC 500 BAT (18A-188-710) - Cub Cadet Walk-Behind Mower, Electric (2007) > Parts Diagrams (3)