CH 8720 iH - Bear Cat 8" Chipper, 720cc Subaru Turntable (SN: 5VJAA0000DW000001 - 5VJAA0413GW005118) Shields (VIN: 5VJAA0010FW004576 AND BELOW) Parts Diagram

8" Chipper, 720cc Subaru Turntable

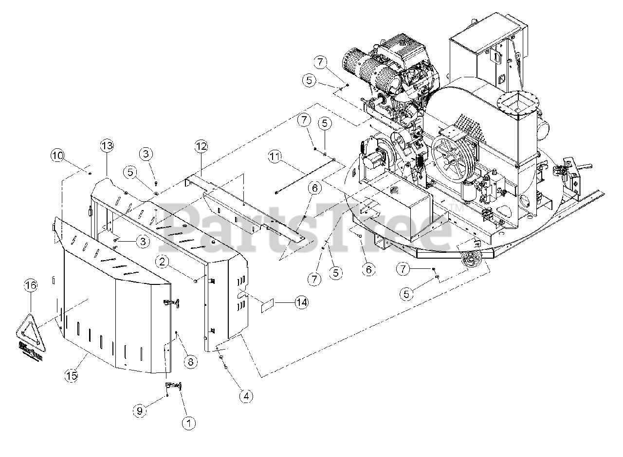
Shields (VIN: 5VJAA0010FW004576 AND BELOW) Parts Diagram

  • Title
1

0125-0060-00

LATCH, FLEXIBLE DRAW

$

$

Not available

2

Bear Cat 13904-00

BUMPER, RUBBER

$2.99

$

Usually ships in 3-7 days

0

3

BOLT, 5/16 X 3/4 HEX HD GR5 ZP

Note: (REPLACED AND SUPERSEDED 15003. FOR SERVICE ORDER PN 15006)

$

$

Not available

4

Bear Cat 15219

BOLT, 5/16 X 1 HHCS GR5 NC ZP

$

$

Not available

5

Bear Cat 15250

WASHER, 5/16 FLAT ZP

$

$

Not available

6

Bear Cat 15301

BOLT, 5/16 X 1 CRG GR5 ZP

$

$

Not available

7

Bear Cat 15356

NUT, 5/16 NE NYLOCK ZP

$0.99

$

Usually ships in 3-7 days

0

8

15397

NUT, 10/24 NYLOCK TYPE NM ZP

$

$

Not available

9

15423

SCREW, MCH 10-24 X 1/2 PAN HD,PH ZP

$

$

Not available

10

Bear Cat 18285-00

HINGE, BRASS RING

$7.99

$

Usually ships in 3-7 days

0

11

Bear Cat 18292-00

LANYARD, STEEL W/ PVC 1/8 X 20

$108.99

$

Usually ships in 3-7 days

0

12

Bear Cat 74536-12

WELDMENT, ENGINE TIE

$

$

Not available

13

Bear Cat 77137-00

ASSEMBLY, SHIELD REAR SERVICE PART

Note: (INCLUDES ITEM 14)

$439.99

$

Usually ships in 3-7 days

0

14

Bear Cat 18556-00

DECAL, FEED SPEED

$7.99

$

Usually ships in 3-7 days

0

15

Bear Cat 77140-00

ASSEMBLY, SHIELD FRONT SERVICE PART

Note: (INCLUDES ITEM 16)

$588.99

$

Usually ships in 3-7 days

0

16

Bear Cat 31477-00

DECAL, CHIP IT LARGE

$46.99

$

Usually ships in 3-7 days

0