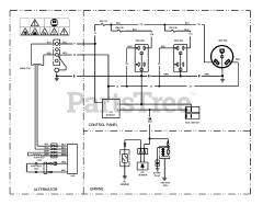
CMXGGAS030730-00 - Craftsman 3,500 Watt Portable Generator, CARB Parts & Diagrams Parts Lists & Diagrams

3,500 Watt Portable Generator, CARB

CMXGGAS030730-00 - Craftsman 3,500 Watt Portable Generator, CARB > Parts Diagrams (6)