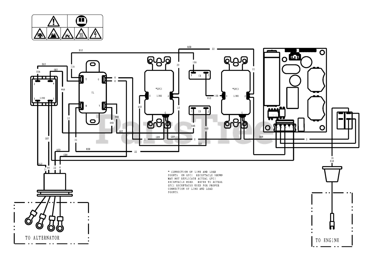
CMXGGAS030790-04 - Craftsman 5,750 Watt Portable Generator Wiring Diagram (80029254) Parts Diagram

5,750 Watt Portable Generator

Wiring Diagram (80029254) Parts Diagram

  • Title
--

Wiring Diagram Only

$

$

Not available

--

WARNING - Generator Voltage Could Cause Electrical Shock or Burn Resulting in Death Or Serious Injury. To Avoid Electrical Shock Or Burn Hazard, Please Refer Service To Qualified Personnel.

$

$

Not available