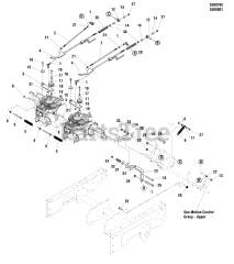
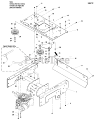
Comfort Control DD (5900557) - Ferris Comfort Control DD 48" Walk-Behind Mower, 21hp Kawasaki, Rear-Discharge Parts & Diagrams Parts Lists & Diagrams

Comfort Control DD 48" Walk-Behind Mower, 21hp Kawasaki, Rear-Discharge