CS-1001 VL - Echo Chainsaw Carburetor Parts Diagram

Model: CS-1001VL Engine: air-cooled, 2-cycle, cylinder Displacement: 6.08 cu in (55 x 42 mm) Revolution: counterclockwise (magneto side) Magneto: NGK BPM-7A Carburetor: Tillotson HS-180A or Walbro SDC-52 Fuel: gasoline + mobile oil 20:1 Cooling: forced air Starter: recoil or automatic Lubrication: Kioritz chain oil, centrifugal clutch Fuel tank: 1.08 L (2.33 pt) Oil tank: 0.44 L (0.95 pt) Chain: 0.404" pitch, 0.063" gauge, 80 links, 65 cm bar Weight: 10 kg dry (22.2 lb)

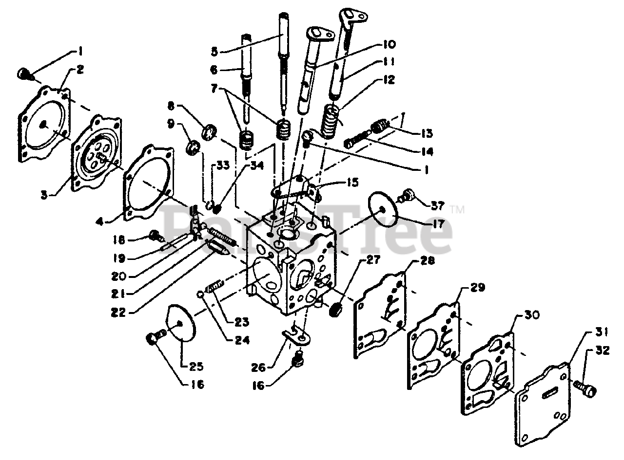
Carburetor Parts Diagram

  • Title

Echo 12300010633

CARBURETOR - SDC-76
(Superseded to Discontinued)

$

$

Not available

1

SCREW

Note: Included in Repair Kit P/N 12310010633

$

$

Not available

2

Echo 12314210630

COVER, DIAPHRAGM
(Superseded to Discontinued)

$

$

Not available

3

DIAPHRAGM

Note: Included in Repair Kit P/N 12310010633 & Gasket/Diaphragm Kit P/N 12310110630

$

$

Not available

4

GASKET, METERING

Note: Included in Repair Kit P/N 12310010633 & Gasket/Diaphragm Kit P/N 12310110630

$

$

Not available

5

Echo 12311810630

NEEDLE, LOW SPEED
(Superseded to Discontinued)

$

$

Not available

6

Echo 12312010630

NEEDLE, HIGH SPEED
(Superseded to Discontinued)

$

$

Not available

------------------

SPRING, NEEDLE

Note: Included in Repair Kit P/N 12310010633

$

$

Not available

8

PLUG, WELCH

Note: Included in Repair Kit P/N 12310010633

$

$

Not available

9

PLUG, WELCH

Note: Included in Repair Kit P/N 12310010633

$

$

Not available

10

Echo 12313110631

SHAFT, CHOKE
(Superseded to Discontinued)

$

$

Not available

11

Echo 12311710631

SHAFT, THROTTLE
(Superseded to Discontinued)

$

$

Not available

12

Echo 12311310631

SPRING, THROTTLE RETURN
(Superseded to Discontinued)

$

$

Not available

13

Echo 12313303930

SPRING, IDLE ADJUST
(Superseded to Discontinued)

$

$

Not available

14

Echo 12313403930

SCREW, IDLE ADJUST
(Superseded to Discontinued)

$

$

Not available

15

Echo 12312810630

BRACKET, IDLE ADJUST
(Superseded to Discontinued)

$

$

Not available

16

$0.99

$

Usually ships in 2-4 days

0

17

Echo 12311610630

VALVE, THROTTLE
(Superseded to Discontinued)

$

$

Not available

18

SCREW, METERING LEVER PIN

Note: Included in Repair Kit P/N 12310010633

$

$

Not available

19

PIN, METERING LEVER

Note: Included in Repair Kit P/N 12310010633

$

$

Not available

20

LEVER, METERING

Note: Included in Repair Kit P/N 12310010633

$

$

Not available

21

SPRING, METERING LEVER

Note: Included in Repair Kit P/N 12310010633

$

$

Not available

22

VALVE, NEEDLE

Note: Included in Repair Kit P/N 12310010633

$

$

Not available

23

Echo 12313510631

SPRING, CHOKE
(Superseded to Discontinued)

$

$

Not available

24

Echo 12313610631

BALL, CHOKE
(Superseded to Discontinued)

$

$

Not available

25

Echo 12313210630

VALVE, CHOKE
(Superseded to Discontinued)

$

$

Not available

26

Echo 12312710631

RING, RETAINING
(Superseded to Discontinued)

$

$

Not available

27

STRAINER

Note: Included in Repair Kit P/N 12310010633

$

$

Not available

28

DIAPHRAGM, PUMP

Note: Included in Repair Kit P/N 12310010633 & Gasket/Diaphragm Kit P/N 12310110630

$

$

Not available

29

DIAPHRAGM

Note: Included in Repair Kit P/N 12310010633 & Gasket/Diaphragm Kit P/N 12310110630

$

$

Not available

------------------

GASKET, PUMP

Note: Included in Repair Kit P/N 12310010633 & Gasket/Diaphragm Kit P/N 12310110630

$

$

Not available

31

Echo 12312412430

COVER, PUMP
(Superseded to Discontinued)

$

$

Not available

32

Echo 12311010630

SCREW
(Superseded to Discontinued)

$

$

Not available

33

RING, RETAINING

Note: Included in Repair Kit P/N 12310110630

$

$

Not available

34

STRAINER

Note: Included in Repair Kit P/N 12310110630

$

$

Not available

37

Echo 12315410630

SCREW ASSY
(Superseded to Discontinued)

$

$

Not available

Echo 12310010633

REPAIR KIT, CARBURETOR
(Superseded to Discontinued)

Note: Includes 1,3,4,7,8,9,18,19,20,21,22,27,28,29,30,33 & 34

$

$

Not available

Echo 12310110630

DIAPHRAGM/GASKET KIT
(Superseded to Discontinued)

Note: Includes 3,4,28,29 & 30

$

$

Not available