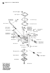
CS 2141 - Jonsered Chainsaw (2003-01) Parts & Diagrams Parts Lists & Diagrams

Chainsaw