CS-302 - Echo Chainsaw Oiler, Auto Parts Diagram

Engine: air-cooled 2-cycle single-cyl, 30.1 cc (37 x 28 mm), CCW. Magneto: side-flywheel Champion CJ-8/NGK BM-6A. Carb: Walbro WA-5B. Fuel: 20:1, 0.33 L. Cooling: forced-air. Starting: recoil. Lubrication: auto-oiler. Chain oil: SAE 30 (summer), SAE 10 (winter). Chain: 1/4-in pitch, 0.050-in gauge, 30 cm. Guide bar: 0.050-in gauge. Weight: 4.5 kg dry.

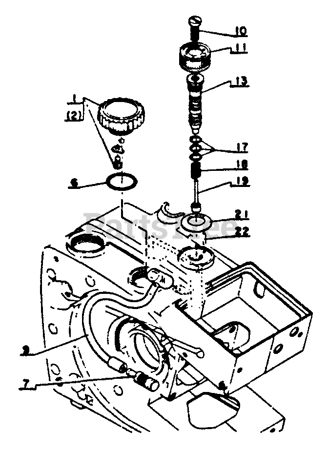
Oiler, Auto Parts Diagram

  • Title
1

Echo 43600211430

CAP ASSY
(Superseded to 43600211431)

$

$

Not available

2

Echo 89015311430

LABEL - CHAIN OIL
(Superseded to 89015318030)

$

$

Not available

6

Echo 90072000016

O-RING 16 MM

$1.99

$

In Stock, Qty 8

0

7

Echo 43620502832

FILTER, OIL

$8.99

$

Usually ships in 2-4 days

0

9

Echo 43721103932

PIPE, OIL

$10.99

$

In Stock, only 2 left!

0

10

Echo 90022005014

SCREW 5×14

$0.99

$

In Stock, Qty 7

0

11

Echo 43700803430

DIAL
(Superseded to 43703903430)

$

$

Not available

12

Echo 89002203430

LABEL, CAUTION

$0.99

$

In Stock, only 1 left!

0

13

Echo 43700003430

AUTO-OILER ASSY
(Superseded to Discontinued)

$

$

Not available

19

Echo 43700003430

AUTO-OILER ASSY
(Superseded to Discontinued)

$

$

Not available

17

$2.49

$

In Stock, only 2 left!

0

18

$1.49

$

In Stock, only 3 left!

0

21

Echo 43703603430

FLAT SPRING

$2.49

$

In Stock, only 2 left!

0

22

Echo 90033015098

BEARING, NEEDLE

$0.99

$

Usually ships in 2-4 days

0