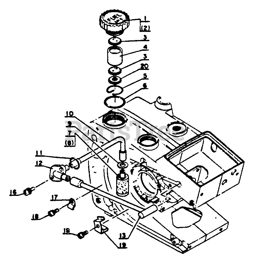
CS-302 S - Echo Chainsaw (SN: 00000 - 17500) Fuel System Parts Diagram

Chainsaw

Fuel System Parts Diagram

  • Title
1

Echo 13100103931

CAP ASSY
(Superseded to 13160003932)

$

$

Not available

3

Echo 13103103930

SPACER
(Superseded to 13103103430)

$3.99

$

Usually ships in 2-4 days

0

4

$2.99

$

Usually ships in 2-4 days

0

5

Echo 13103203930

RING, RETAINING

$0.99

$

Usually ships in 2-4 days

0

20

Echo 13103503431

FILTER
(Superseded to Discontinued)

$

$

Not available

2

Echo 89015403930

LABEL - FUEL MIX
(Superseded to Discontinued)

$

$

Not available

6

Echo 90072000022

O-RING - 22

$2.49

$

In Stock, only 3 left!

0

7

Echo 13120005230

FILTER, FUEL
(Superseded to 13120002830)

$9.99

$

In Stock, Qty 20+

0

8

Echo 13121402830

FILTER, FUEL
(Superseded to Discontinued)

$

$

Not available

9

Echo 90060000006

WASHER - 6

$0.99

$

In Stock, Qty 20+

0

10

Echo 13201003930

PIPE
(Superseded to Discontinued)

$

$

Not available

11

Echo 90072000014

O-RING - 14

$1.99

$

Usually ships in 2-4 days

0

12

Echo 13201103930

CONNECTOR, PIPE
(Superseded to Discontinued)

$

$

Not available

13

Echo 13201203930

PIPE - FUEL
(Superseded to Discontinued)

$

$

Not available

16

Echo 90024204012

SCREW - 4X12

$0.99

$

In Stock, Qty 20+

0

17

$0.99

$

Usually ships in 2-4 days

0

18

Echo 90024204010

SCREW - 4X10

$0.99

$

In Stock, Qty 20+

0

$0.99

$

Usually ships in 2-4 days

0