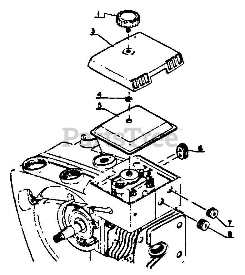
CS-302 S - Echo Chainsaw (SN: 17501 - 30500) Air Cleaner Parts Diagram

376 x 231 x 239 mm (14.8 x 9.1 x 9.4 in) | Air-cooled, 2-stroke, single-cylinder, 33.4 cc (2.0 cu in) engine | Counter-clockwise rotation from magneto side | Magneto: Champion CJ-8 or NGK BM-6A Walbro VWA-5B | Fuel: regular gasoline + 32:1 or 50:1 2-stroke oil | Fuel tank 0.334 L (11.8 fl oz) | Recoil starter | Automatic oiler, SAE 30 (summer) SAE 10 oil | Oil tank 0.20 L (6.8 fl oz) | Weight 4.5 kg (9.9 lb) dry | Guide bar 14 in (35 cm), gauge 0.050 in | Chain 91SG, 52 links, low-kick | Part no: echo Oregon 14g50k 32893, 16g50k 32894

Air Cleaner Parts Diagram

  • Title
1

Echo 13040603930

THUMBSCREW
(Superseded to 13040614330)

$

$

Not available

3

Echo 13031303930

COVER, AIR FILTER
(Superseded to Discontinued)

$

$

Not available

4

Echo 90070000003

E-RING 3

$0.99

$

In Stock, Qty 9

0

5

Echo 13031003930

FILTER, AIR
(Superseded to Discontinued)

$

$

Not available

6

$1.99

$

In Stock, only 4 left!

0

7

$1.99

$

In Stock, only 1 left!

0

8

$0.99

$

In Stock, Qty 7

0