CS-302 S - Echo Chainsaw (SN: 17501 - 30500) Oiler, Auto Parts Diagram

376 x 231 x 239 mm (14.8 x 9.1 x 9.4 in) | Air-cooled, 2-stroke, single-cylinder, 33.4 cc (2.0 cu in) engine | Counter-clockwise rotation from magneto side | Magneto: Champion CJ-8 or NGK BM-6A Walbro VWA-5B | Fuel: regular gasoline + 32:1 or 50:1 2-stroke oil | Fuel tank 0.334 L (11.8 fl oz) | Recoil starter | Automatic oiler, SAE 30 (summer) SAE 10 oil | Oil tank 0.20 L (6.8 fl oz) | Weight 4.5 kg (9.9 lb) dry | Guide bar 14 in (35 cm), gauge 0.050 in | Chain 91SG, 52 links, low-kick | Part no: echo Oregon 14g50k 32893, 16g50k 32894

Oiler, Auto Parts Diagram

  • Title
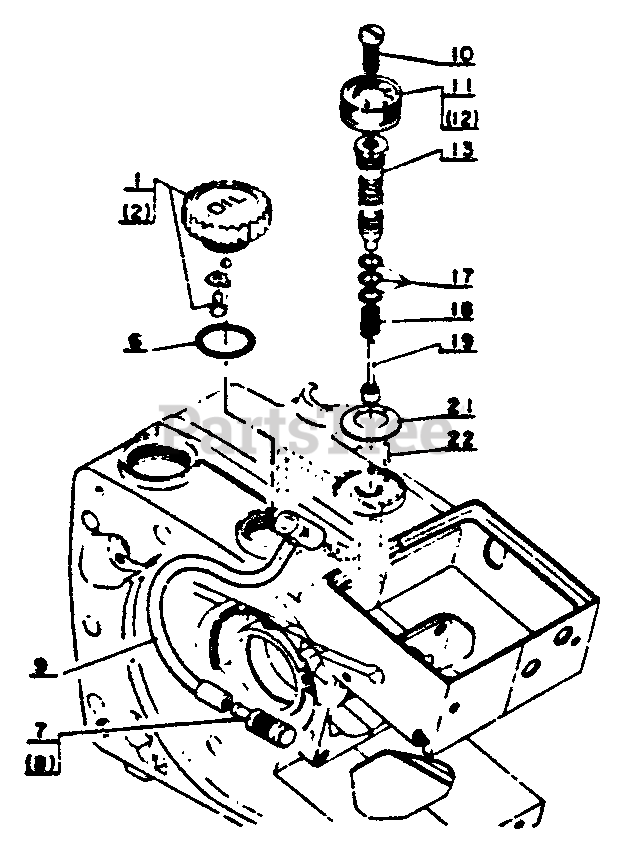
1

Echo 43600211430

CAP ASSY
(Superseded to 43600211431)

$

$

Not available

2

Echo 89015311430

LABEL - CHAIN OIL
(Superseded to 89015318030)

$

$

Not available

6

Echo 90072000016

O-RING 16 MM

$1.99

$

In Stock, Qty 8

0

7

Echo 43620502832

FILTER, OIL

$8.99

$

Usually ships in 2-4 days

0

8

UNKNOWN

$

$

Not available

9

Echo 43721103932

PIPE, OIL

$10.99

$

In Stock, only 2 left!

0

10

Echo 90022045014

SCREW - 5×14

$

$

Currently unavailable

11

Echo 43703903430

DIAL, AUTO-OILER
(Superseded to Discontinued)

$

$

Not available

12

Echo 89002203430

LABEL, CAUTION

$0.99

$

In Stock, only 1 left!

0

13

Echo 43700003430

AUTO-OILER ASSY
(Superseded to Discontinued)

Note: Includes ITEM 19

$

$

Not available

17

$2.49

$

In Stock, only 2 left!

0

18

$1.49

$

In Stock, only 3 left!

0

21

Echo 43703603430

FLAT SPRING

$2.49

$

In Stock, only 2 left!

0

22

Echo 90033015098

BEARING, NEEDLE

$0.99

$

Usually ships in 2-4 days

0