CS-302 S - Echo Chainsaw (SN: 64671 - 99999) Fuel System Parts Diagram

376 x 231 x 239 mm (14.8 x 9.1 x 9.4 in) | Air-cooled, 2-stroke, single-cylinder, 33.4 cc (2.0 cu in) engine | Counter-clockwise rotation from magneto side | Magneto: Champion CJ-8 or NGK BM-6A Walbro VWA-5B | Fuel: regular gasoline + 32:1 or 50:1 2-stroke oil | Fuel tank 0.334 L (11.8 fl oz) | Recoil starter | Automatic oiler, SAE 30 (summer) SAE 10 oil | Oil tank 0.20 L (6.8 fl oz) | Weight 4.5 kg (9.9 lb) dry | Guide bar 14 in (35 cm), gauge 0.050 in | Chain 91SG, 52 links, low-kick | Part no: echo Oregon 14g50k 32893, 16g50k 32894

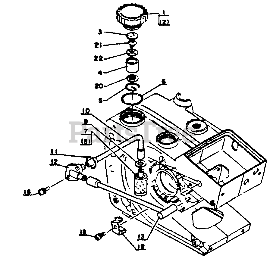
Fuel System Parts Diagram

  • Title
1

Echo 13160003932

CAP ASSY

$

$

Not available

3

Echo 13103103930

SPACER
(Superseded to 13103103430)

$3.99

$

Usually ships in 2-4 days

0

4

$2.99

$

Usually ships in 2-4 days

0

5

Echo 13103203930

RING, RETAINING

$0.99

$

Usually ships in 2-4 days

0

20

Echo 13103503431

FILTER, FUEL
(Superseded to Discontinued)

$

$

Not available

21

Echo 13131400330

VALVE, CHECK

$13.99

$

In Stock, only 1 left!

0

22

Echo 13101503430

HOLDER, VENT

$3.99

$

In Stock, only 1 left!

0

2

Echo 89015415130

LABEL - FUEL MIX

$1.49

$

In Stock, only 1 left!

0

6

Echo 90072000022

O-RING 22

$2.49

$

In Stock, Qty 20+

0

7

Echo 13120002830

FILTER, FUEL
(Superseded to 13120514930)

$9.99

$

In Stock, Qty 20+

0

8

Echo 13121402830

FUEL STRAINER COVER
(Superseded to Discontinued)

$

$

Not available

9

Echo 900603-00005

WASHER 5.5×12×0.8

$0.99

$

In Stock, Qty 20+

0

10

Echo 13201003930

PIPE
(Superseded to Discontinued)

$

$

Not available

11

Echo 90072000014

O-RING 14 MM

$1.99

$

Usually ships in 2-4 days

0

12

Echo 13201103930

CONNECTOR, PIPE
(Superseded to Discontinued)

$

$

Not available

13

Echo 13201203930

PIPE, FUEL - OUTER
(Superseded to Discontinued)

$

$

Not available

16

Echo 90024204012

SCREW 4×12

$0.99

$

In Stock, Qty 20+

0

18

Echo 900242-04010

SCREW 4×10

$0.99

$

In Stock, Qty 20+

0

19

Echo 15911203930

CLIP, CORD

$0.99

$

Usually ships in 2-4 days

0