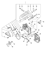
CS-345 - Echo Chainsaw (SN: 04001001 - 04999999) Parts & Diagrams Parts Lists & Diagrams

Chainsaw