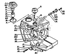
CS-451 VL - Echo Chainsaw Parts & Diagrams Parts Lists & Diagrams

Chainsaw