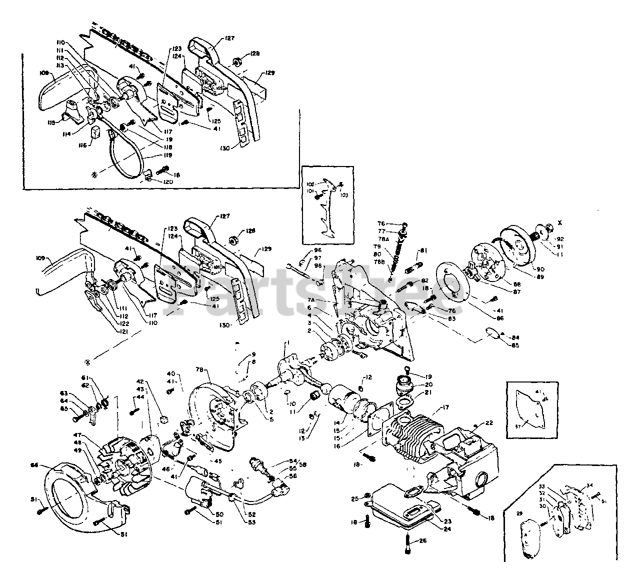
CS-500 VL - Echo Chainsaw (SN: 001001 - 049000) Eng, Exhaust, Ign, Cltch, Oiler, Auto, In, Ex, Chn Brk, Cut Attch Parts Diagram

Model: CS-500VL Dimensions: 400 x 254 x 274 mm (15.8 x 9.8 x 10.8 in). Weight: 5.8 kg (12.8 lb) dry. Engine: air-cooled 2-stroke single cylinder, 49.9 cc (3.0 cu in). Carburetor: Walbro HDB diaphragm. Ignition: Magneto (flywheel) or CDI. Spark plug: NGK BPM6A. Starter: recoil. Power transmission: automatic centrifugal clutch. Fuel: 0.5 L (16.9 fl oz) gasoline/2-stroke oil mix (25:1 or 50:1). Chain oil: 0.25 L (8.5 fl oz). Guide bar: 20 in, 3/8" pitch, 70 links. Chain: asymmetrical-low kick, 3/8".

Eng, Exhaust, Ign, Cltch, Oiler, Auto, In, Ex, Chn Brk, Cut Attch Parts Diagram

  • Title
1

Echo 10010012330

CRANKSHAFT ASSY
(Superseded to 99010000004)

$

$

Not available

2

Echo 90081006202

BEARING, BALL 6202

$11.99

$

In Stock, Qty 12

0

3

Echo 90070200035

RING, SNAP 35

$2.49

$

In Stock, Qty 8

0

4

Echo 100213-02830

SEAL, OIL 18

$7.99

$

In Stock, only 1 left!

0

5

Echo 100213-00310

SEAL, OIL

$6.49

$

In Stock, Qty 18

0

6

Echo 10024212330

GASKET, CRANKCASE
(Superseded to 10024212331)

$

$

Not available

7

Echo 10020012331

CRANKCASE KIT
(Superseded to 10020412331)

Note: Consists of 7A, 7B, and 8.

$

$

Not available

7A

Echo 10020012331

CRANKCASE KIT
(Superseded to 10020412331)

Note: See Ref No. 7, Crankcase set, P/N 10020012331

$

$

Not available

7B

Echo 10020012331

CRANKCASE KIT
(Superseded to 10020412331)

Note: See Ref No. 7, Crankcase set, P/N 10020012331

$

$

Not available

8

Echo V622000020

PIN, LOCATING 4

$0.99

$

In Stock, only 4 left!

0

9

Echo 13011014330

PIPE, IMPULSE 3×6×75

Note: RePower BULK OPTION: 90014

$3.49

$

In Stock, Qty 12

0

$3.49

$

Usually ships in 2-4 days

0

11

Echo 10001200310

BEARING, NEEDLE
(Superseded to 10001212330)

$13.99

$

In Stock, only 1 left!

0

12

Echo 100015-00120

RING, SNAP 8

$0.99

$

In Stock, Qty 10

0

13

Echo 100013-00410

PIN, PISTON

$8.49

$

Usually ships in 2-4 days

0

14

Echo 10001012330

PISTON
(Superseded to 10001012331)

$

$

Not available

15

Echo 10001112330

RING, PISTON

$8.99

$

Usually ships in 2-4 days

0

16

Echo 10101012330

GASKET, CYLINDER
(Superseded to 10101012331)

$

$

Not available

17

Echo 10101112330

CYLINDER
(Superseded to Discontinued)

$

$

Not available

18

Echo 90016205020

BOLT 5×20

$1.49

$

In Stock, Qty 20+

0

19

Echo 90024105010

SCREW 5×10

$0.99

$

In Stock, only 3 left!

0

20

Echo 13050512330

ADAPTER, INTAKE
(Superseded to 13050812331)

$

$

Not available

21

Echo 13001012330

GASKET, INTAKE
(Superseded to 13001012331)

$1.49

$

In Stock, only 2 left!

0

22

Echo 10151412330

COVER, ENGINE
(Superseded to 10151412332)

$

$

Not available

23

Echo 14551012330

GASKET, EXHAUST
(Superseded to 14551012331)

$2.99

$

In Stock, only 2 left!

0

24

Echo 14561012330

MUFFLER
(Superseded to Discontinued)

$

$

Not available

25

$0.99

$

Usually ships in 2-4 days

0

26

Echo 90016205035

BOLT M5×35

$1.99

$

In Stock, Qty 14

0

40

Echo 15610111230

CONTACT POINT SET
(Superseded to Discontinued)

$

$

Not available

41

Echo 900242-04010

SCREW 4×10

$0.99

$

In Stock, Qty 20+

0

42

Echo 15613404630

PAD, OIL

$2.49

$

Usually ships in 2-4 days

0

43

Echo 15612811231

COVER, BREAKER
(Superseded to Discontinued)

$

$

Not available

44

Echo 90024203018

SCREW 3×18

$0.99

$

Usually ships in 2-4 days

0

45

Echo 15911212330

CLAMP
(Superseded to Discontinued)

$

$

Not available

46

Echo 15610411230

CONDENSER
(Superseded to Discontinued)

$

$

Not available

47

Echo 15620512330

FLYWHEEL
(Superseded to 15620512331)

$

$

Not available

48

$0.99

$

Usually ships in 2-4 days

0

49

$0.99

$

In Stock, Qty 20+

0

50

Echo 15610812330

COIL, IGNITION
(Superseded to 15610812331)

$

$

Not available

51

Echo 900242-04020

SCREW 4×20

$0.99

$

In Stock, Qty 16

0

52

Echo 15011703930

SPACER
(Superseded to 15011713730)

$3.49

$

Usually ships in 2-4 days

0

53

Echo 15011003930

BUSHING
(Superseded to Discontinued)

$

$

Not available

54

Echo 15901012330

SPARK PLUG - BPM6A
(Superseded to Discontinued)

$

$

Not available

55

Echo 15901103431

TERMINAL, SPARK PLUG CAP
(Superseded to 15901103432)

$1.99

$

In Stock, Qty 20+

0

56

Echo 15901203432

CAP, SPARK PLUG
(Superseded to 15901203433)

$8.49

$

In Stock, Qty 20+

0

61

$1.99

$

In Stock, Qty 6

0

62

Echo 17724712330

SPACER
(Superseded to 17724712331)

$3.49

$

In Stock, only 4 left!

0

63

Echo 17721812330

RATCHET
(Superseded to Discontinued)

$

$

Not available

64

$0.99

$

In Stock, Qty 8

0

65

Echo 900100-05018

BOLT 5×18

$0.99

$

In Stock, Qty 8

0

66

Echo 10153512330

SHIELD, FAN
(Superseded to Discontinued)

$

$

Not available

75

Echo 43701611130

SCREW, ADJUSTER
(Superseded to Discontinued)

$

$

Not available

76

Echo 90022005010

SCREW 5×10

$0.99

$

In Stock, Qty 7

0

77

Echo 43705911132

LOCKWASHER
(Superseded to 43705911133)

$2.99

$

Usually ships in 2-4 days

0

78

Echo 43700203431

PUMP KIT
(Superseded to 43700003430)

Note: Consists of 78A and 78B.

$

$

Not available

78A

Echo 43700203431

PUMP KIT
(Superseded to 43700003430)

Note: See Ref No. 78, Plunger & cylinder set, P/N 43700203431

$

$

Not available

78B

Echo 43700203431

PUMP KIT
(Superseded to 43700003430)

Note: See Ref No. 78, Plunger & cylinder set, P/N 43700203431

$

$

Not available

79

$2.49

$

In Stock, Qty 7

0

80

$1.49

$

In Stock, only 3 left!

0

81

Echo 43301112330

STUD, GUIDE BAR

$2.99

$

Usually ships in 2-4 days

0

82

Echo 90016205030

BOLT 5×30

$1.49

$

In Stock, only 2 left!

0

83

Echo 43302612330

CATCHER, CHAIN
(Superseded to Discontinued)

$

$

Not available

84

Echo 89001100130

RIVET
(Superseded to Discontinued)

$

$

Not available

85

Echo 89011012330

MODEL PLATE
(Superseded to Discontinued)

$

$

Not available

86

Echo 17531012330

SEAL, DUST
(Superseded to Discontinued)

$

$

Not available

Echo 17500012330

CLUTCH ASSY
(Superseded to 17500016130)

Note: Consists of 87 thru 89.

$

$

Not available

87

Echo 17501603430

HUB, CLUTCH
(Superseded to 17500016131)

$

$

Not available

88

Echo 17501702830

SHOE, CLUTCH
(Superseded to Discontinued)

$

$

Not available

89

Echo 17501802830

SPRING, CLUTCH
(Superseded to Discontinued)

$

$

Not available

90

Echo 17500511030

DRUM, CLUTCH - 3/8"
(Superseded to 17500514330)

$

$

Not available

91

Echo 17501503430

WASHER, CLUTCH

$2.99

$

Usually ships in 2-4 days

0

92

Echo 10012903430

LOCKNUT
(Superseded to 61032003830)

$5.49

$

In Stock, only 2 left!

0

$0.99

$

In Stock, Qty 20+

0

97

Echo 43301611030

SCREW, TENSIONER
(Superseded to 43301611031)

$4.99

$

In Stock, Qty 20+

0

98

Echo 43301402830

TENSIONER, CHAIN

$5.99

$

In Stock, Qty 18

0

109

Echo 43310512330

HAND GUARD (BRAKE HANDLE)
(Superseded to 43310512331)

$

$

Not available

110

$7.99

$

In Stock, only 1 left!

0

111

Echo 43311412330

SPRING, RETURN
(Superseded to Discontinued)

$

$

Not available

112

$4.99

$

In Stock, only 4 left!

0

117

Echo 43331012330

COVER, BRAKE
(Superseded to Discontinued)

$

$

Not available

121

Echo 35183412330

STOPPER
(Superseded to 35184012330)

$

$

Not available

122

Echo 90060000006

WASHER 6.5×11.5×0.8

$0.99

$

In Stock, Qty 20+

0

123

Echo 43301312330

PLATE, GUIDE - INNER
(Superseded to 43301312332)

$7.99

$

In Stock, Qty 7

0

124

Echo 43301212330

PLATE, GUIDE - OUTER
(Superseded to 43301212331)

$7.49

$

In Stock, only 4 left!

0

125

Echo 90022003006

SCREW 3×6

$0.99

$

In Stock, Qty 20+

0

127

Echo 43301012330

GUARD, SPROCKET
(Superseded to 43301012331)

$

$

Not available

128

Echo 43301912330

NUT, FLANGE M8×1.25
(Superseded to V265000200)

$2.49

$

In Stock, Qty 20+

0

129

Echo 89002103930

LABEL - ECHO
(Superseded to 89002103931)

$1.99

$

In Stock, only 4 left!

0

130

Echo 43302512330

PROTECTOR

$2.49

$

Usually ships in 2-4 days

0

29

Echo 14580612330

ADAPTER
(Superseded to 14580615230)

Note: OPTIONAL

$41.99

$

Usually ships in 2-4 days

0

30

Echo 90024005035

SCREW 5×35

Note: OPTIONAL

$0.99

$

Usually ships in 2-4 days

0

31

Echo 14586212330

SCREEN, SPARK ARRESTER
(Superseded to 14586215230)

Note: OPTIONAL

$7.49

$

Usually ships in 2-4 days

0

32

Echo 14586312330

RETAINER, SCREEN
(Superseded to 14586315230)

Note: OPTIONAL

$7.49

$

Usually ships in 2-4 days

0

33

Echo 14564303730

SCREW 5×8
(Superseded to Discontinued)

Note: OPTIONAL

$

$

Not available

34

Echo 14587112330

COVER, EXHAUST
(Superseded to Discontinued)

Note: OPTIONAL

$

$

Not available

51

Echo 900242-04020

SCREW 4×20

Note: OPTIONAL

$0.99

$

In Stock, Qty 16

0

37

Echo 10157912330

COVER, CYLINDER
(Superseded to Discontinued)

Note: OPTIONAL

$

$

Not available

41

Echo 900242-04010

SCREW 4×10

Note: OPTIONAL

$0.99

$

In Stock, Qty 20+

0

58

Echo 15901012530

SPARK PLUG - BPMR6A

Note: OPTIONAL

$3.99

$

Usually ships in 2-4 days

0

101

Echo 90010505012

BOLT 5×12

Note: OPTIONAL

$1.49

$

In Stock, Qty 12

0

102

Echo 88021012330

BUMPER, SPIKED
(Superseded to Discontinued)

Note: OPTIONAL

$

$

Not available

103

Echo 900500-00005

NUT M5
(Superseded to 90050000005)

Note: OPTIONAL

$0.99

$

In Stock, Qty 20+

0

19

Echo 90024105010

SCREW 5×10

Note: OPTIONAL

$0.99

$

In Stock, only 3 left!

0

113

Echo 43311512330

SPACER

Note: OPTIONAL

$1.49

$

In Stock, Qty 5

0

114

Echo 43311712330

CONNECTOR
(Superseded to Discontinued)

Note: OPTIONAL

$

$

Not available

115

Echo 43331212330

COVER, BRAKE
(Superseded to Discontinued)

Note: OPTIONAL

$

$

Not available

116

Echo 43331312330

SEAL
(Superseded to Discontinued)

Note: OPTIONAL

$

$

Not available

118

Echo 43314212330

ADJUSTER, BRAKE BAND

Note: OPTIONAL

$2.49

$

In Stock, only 2 left!

0

119

Echo 43312312330

BAND, BRAKE

Note: OPTIONAL

$9.99

$

In Stock, only 1 left!

0

120

Echo 43314412330

RETAINER
(Superseded to Discontinued)

Note: OPTIONAL

$

$

Not available