CS-510 EVLP - Echo Chainsaw Carburetor Parts Diagram

CS-510EVLP - Powerhead: 400 x 266 x 280 mm (15.8 x 10.0 x 11.0 in), dry weight 5.9 kg (13.0 lb). Engine: air-cooled 2-stroke, single-cylinder, 49.9 cc (3.0 cu-in). Carburetor: Walbro HDA diaphragm. Ignition: capacitor-discharge (CD). Starter: recoil. Transmission: automatic centrifugal clutch. Fuel: 0.50 L (16.9 fl oz) gasoline/air-cooled oil 32:1 or 50:1 (special O-II). Chain oil tank: 0.25 L (8.5 fl oz). Guide bar: 16"-24" asymmetrical low-kick, model-specific parts (CS-510EVLP). Standard features: hand guards, front/rear lockout, throttle control, anti-vibration latch, high-speed idle, chain catcher. Chain brake only on CS-510EVLP.

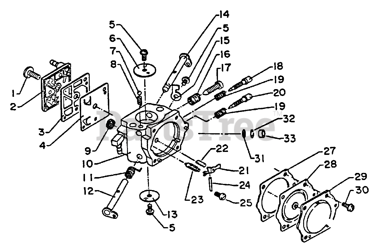
Carburetor Parts Diagram

  • Title

Echo 12300018332

CARBURETOR - HAD-20B
(Superseded to 12300019030)

Note: Consists of 1 thru 33.

$

$

Not available

$0.99

$

Usually ships in 2-4 days

0

2

Echo 12312412330

COVER, PUMP
(Superseded to Discontinued)

$

$

Not available

3

Echo 12312512330

GASKET, FUEL PUMP

$3.99

$

In Stock, only 1 left!

0

4

Echo 12311212330

DIAPHRAGM, FUEL PUMP

$7.49

$

In Stock, Qty 5

0

$1.49

$

In Stock, Qty 6

0

6

Echo 12313216130

VALVE, THROTTLE

$2.49

$

Usually ships in 2-4 days

0

7

Echo 12313610630

BALL, CHOKE FRICTION

$0.99

$

In Stock, only 1 left!

0

8

$1.49

$

Usually ships in 2-4 days

0

9

Echo 12312610631

SCREEN, FUEL INLET

$1.99

$

In Stock, Qty 20+

0

11

Echo 12311312330

SPRING, THROTTLE

$

$

Not available

12

Echo 12311712330

SHAFT, THROTTLE
(Superseded to Discontinued)

$

$

Not available

13

Echo 12311603930

VALVE, THROTTLE

$2.49

$

In Stock, only 2 left!

0

14

Echo 12313117330

SHAFT, CHOKE
(Superseded to Discontinued)

$

$

Not available

15

Echo 12315612330

STOP, THROTTLE

$2.49

$

Usually ships in 2-4 days

0

16

Echo 12313311130

SPRING, IDLE ADJUST
(Superseded to Discontinued)

$

$

Not available

17

Echo 12313411130

SCREW, IDLE ADJUST

$1.99

$

Usually ships in 2-4 days

0

18

Echo 12311818330

NEEDLE, LOW SPEED
(Superseded to 12311818331)

$5.99

$

Usually ships in 2-4 days

0

19

Echo 12312103930

SPRING, NEEDLE

$7.49

$

In Stock, Qty 5

0

20

Echo 12312018330

NEEDLE, HIGH SPEED

$5.99

$

Usually ships in 2-4 days

0

21

Echo 12312318330

LEVER, METERING

$4.99

$

Usually ships in 2-4 days

0

22

Echo 12312218330

SPRING, METERING LEVER
(Superseded to Discontinued)

$

$

Not available

23

Echo 12313716130

VALVE, INLET NEEDLE
(Superseded to Discontinued)

$

$

Not available

24

Echo 12313803930

PIN, METERING LEVER

$6.99

$

In Stock, only 3 left!

0

25

Echo 12313903930

SCREW, METERING LEVER PIN

$6.99

$

Usually ships in 2-4 days

0

27

Echo 12314018330

GASKET, METERING DIAPHRAGM
(Superseded to Discontinued)

$

$

Not available

28

Echo 12314116130

DIAPHRAGM, METERING

$14.99

$

In Stock, only 2 left!

0

29

Echo 12314217330

COVER, METERING DIAPHRAGM

$4.99

$

Usually ships in 2-4 days

0

30

$1.99

$

In Stock, only 1 left!

0

31

Echo 12316810631

SCREEN, SPARK ARRESTER

$1.99

$

Usually ships in 2-4 days

0

32

Echo 12316910630

RING, RETAINING

$1.49

$

Usually ships in 2-4 days

0

33

Echo 12314617330

PLUG, CUP

$5.49

$

Usually ships in 2-4 days

0

10

BODY, CARBURETOR

Note: NOT AVAILABLE SEPARATELY

$

$

Not available

Echo 12310318330

DIAPHRAGM/GASKET KIT
(Superseded to Discontinued)

Note: Includes 3,4,27,28

$

$

Not available

Echo 12310218330

REPAIR KIT

Note: Includes 3,4,5,7,8,9,19,22,23,27,28,30,31,32

$

$

Currently unavailable