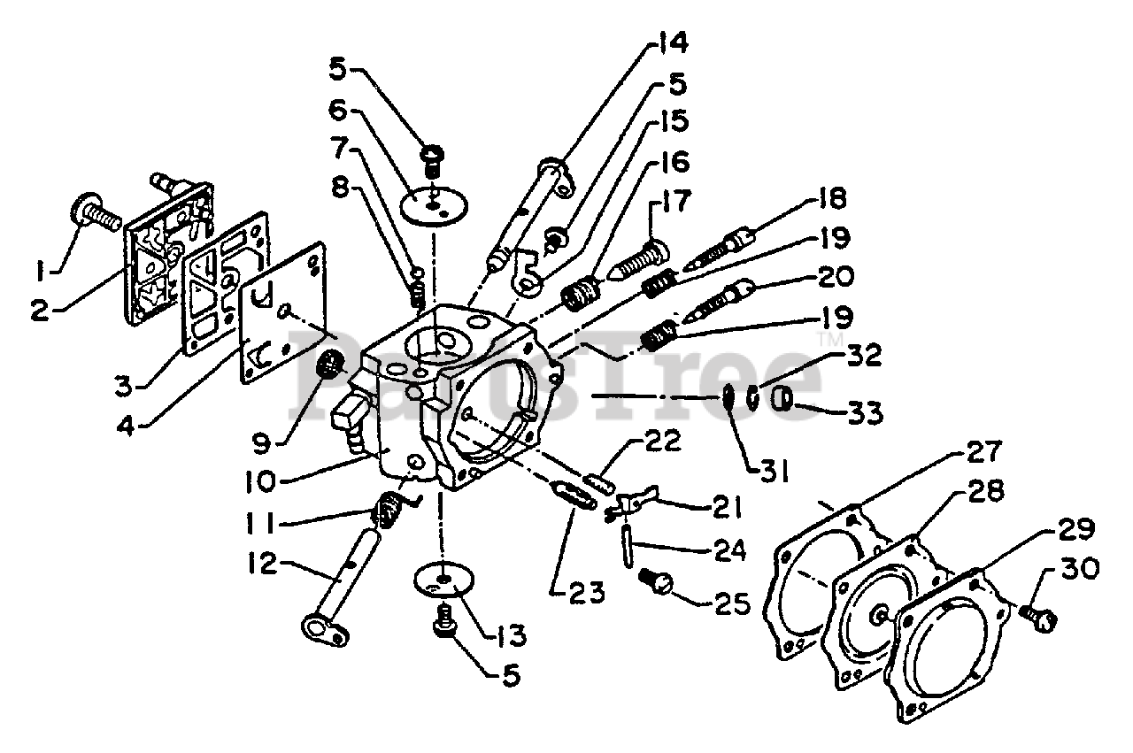
CS-550 EVLP - Echo Chainsaw Carburetor Parts Diagram

Dimensions: 400 x 255 x 280 mm Weight (dry engine): 6.0 kg (13.2 lb) Engine: air-cooled 2-stroke single-cylinder, 54.7 cc (3.33 cu in) Carburetor: Walbro HDA diaphragm Ignition: CDI flywheel magneto, NGK BPM7A spark plug Starter: recoil Transmission: automatic centrifugal clutch Fuel: 25 : 1 gasoline-oil mix (50 : 1 with special oil) Fuel tank: 0.50 L (16.9 fl oz) Chain-oil tank: 0.25 L (8.5 fl oz) Features: front hand guard, guide bar cover, spike bumper Chain options: 9" Echo low-kick-guard; Oregon 16a50 7929, 7930, 30590, 30591, 7331 Chain brake only for CS-550EVLP.

Carburetor Parts Diagram

  • Title

Echo 12300017930

CARBURETOR - HDA-14B
(Superseded to 12300019030)

Note: Consists of 1 thru 33.

$

$

Not available

$0.99

$

Usually ships in 2-4 days

0

2

Echo 12312412330

COVER, PUMP
(Superseded to Discontinued)

$

$

Not available

3

Echo 12312512330

GASKET, FUEL PUMP

$3.99

$

In Stock, only 1 left!

0

4

Echo 12311212330

DIAPHRAGM, FUEL PUMP

$7.49

$

In Stock, Qty 5

0

$1.49

$

In Stock, Qty 6

0

6

Echo 12313216130

VALVE, THROTTLE

$2.49

$

Usually ships in 2-4 days

0

7

Echo 12313610630

BALL, CHOKE FRICTION

$0.99

$

In Stock, only 1 left!

0

8

$1.49

$

Usually ships in 2-4 days

0

9

Echo 12312610631

SCREEN, FUEL INLET

$1.99

$

In Stock, Qty 20+

0

11

Echo 12311312330

SPRING, THROTTLE

$

$

Not available

12

Echo 12311712330

SHAFT, THROTTLE
(Superseded to Discontinued)

$

$

Not available

13

Echo 12311603930

VALVE, THROTTLE

$2.49

$

In Stock, only 2 left!

0

14

Echo 12313117330

SHAFT, CHOKE
(Superseded to Discontinued)

$

$

Not available

15

Echo 12315612330

STOP, THROTTLE

$2.49

$

Usually ships in 2-4 days

0

16

Echo 12313311130

SPRING, IDLE ADJUST
(Superseded to Discontinued)

$

$

Not available

17

Echo 12313406530

SCREW, IDLE ADJUST

$1.49

$

Usually ships in 2-4 days

0

18

Echo 12311817330

NEEDLE, IDLE

$6.49

$

Usually ships in 2-4 days

0

19

Echo 12312103930

SPRING, NEEDLE

$7.49

$

In Stock, Qty 5

0

20

Echo 12312017330

NEEDLE, HIGH SPEED

$5.99

$

Usually ships in 2-4 days

0

21

Echo 12312316130

LEVER
(Superseded to Discontinued)

$

$

Not available

22

$

$

Not available

23

Echo 12313716130

VALVE, INLET NEEDLE
(Superseded to Discontinued)

$

$

Not available

24

Echo 12313803930

PIN, METERING LEVER

$6.99

$

In Stock, only 3 left!

0

25

Echo 12313903930

SCREW, METERING LEVER PIN

$6.99

$

Usually ships in 2-4 days

0

27

Echo 12314016130

GASKET, METERING DIAPHRAGM

$2.99

$

In Stock, Qty 10

0

28

Echo 12314116130

DIAPHRAGM, METERING

$14.99

$

In Stock, only 2 left!

0

29

Echo 12314217330

COVER, METERING DIAPHRAGM

$4.99

$

Usually ships in 2-4 days

0

30

$1.99

$

In Stock, only 1 left!

0

31

Echo 12316810631

SCREEN, SPARK ARRESTER

$1.99

$

Usually ships in 2-4 days

0

32

Echo 12316910630

RING, RETAINING

$1.49

$

Usually ships in 2-4 days

0

33

Echo 12314617330

PLUG, CUP

$5.49

$

Usually ships in 2-4 days

0

10

BODY, CARBURETOR

Note: NOT AVAILABLE SEPARATELY

$

$

Not available

Echo 12310317330

DIAPHRAGM/GASKET KIT
(Superseded to 12310317331)

Note: Includes Key Nos. 3, 4, 27, 28

$

$

Not available

Echo 12310217330

REPAIR KIT
(Superseded to 12310217331)

Note: Includes Key Nos. 3, 4, 5, 7, 8, 9, 19, 22, 23, 27, 28, 30, 31, 32

$

$

Not available